Allegro MicroSystems A89503 Automotive Half-Bridge MOSFET Drivers
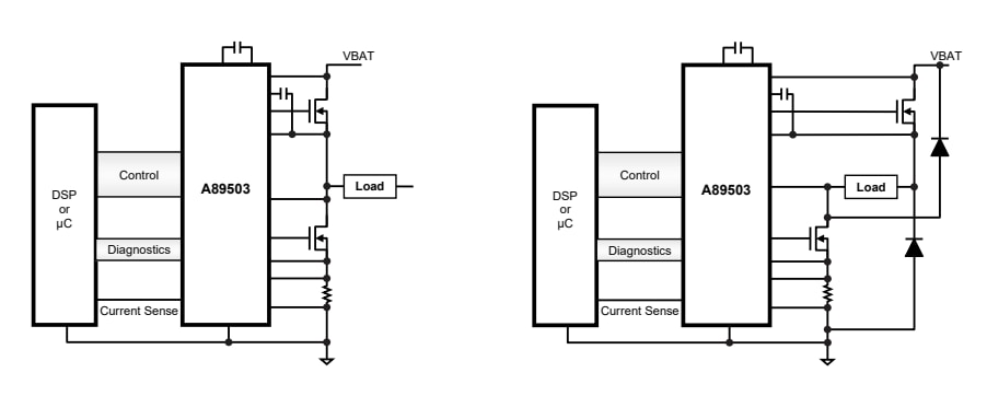
Allegro MicroSystems A89503 Automotive Half-Bridge MOSFET Drivers are capable of controlling MOSFETs connected in a half-bridge arrangement and are designed for automotive applications with high-power inductive loads. These drivers feature a unique charge pump regulator that provides full gate drive over the full supply voltage range from 5.5V to 80V. Each MOSFET can be controlled independently by logic-level inputs or through the SPI-compatible serial interface, and the fully independent control allows both external FETs to be turned on simultaneously. The integrated diagnostics provide an indication of multiple internal faults, system faults, and power bridge faults, and they can be configured to protect the power MOSFETs under numerous short-circuit conditions.A89503 drivers are constructed in accordance with ISO 26262 as a hardware safety element out of context with ASIL B capability, making them ideal for use in automotive safety-related systems when integrated. Allegro MicroSystems A89503 Automotive Half-Bridge MOSFET Drivers have an AEC-Q100 Grade 0 rating and are supplied in a 24-lead TSSOP package.
Features
- AEC-Q100 Grade 0 qualified
- Half-bridge MOSFET driver
- Bootstrap gate drive for N-channel MOSFET bridge
- Independent control of high- and low-side gate drives with cross-conduction capability
- Charge pump regulator for low supply voltage operation
- Integrated logic I/O supply
- SPI-compatible serial interface
- Bridge control by direct logic input or serial interface
- Programmable gate drive
- Current sense amplifier
- Programmable diagnostics
Specifications
- 24-lead TSSOP package
- 3.3V to 5V I/O logic
- 5.5V to 80V supply voltage range
- 7.8mm x 4.4mm x 1.2mm dimensions
- -40°C to +150°C operating temperature range
Typical Applications
Block Diagram
Veröffentlichungsdatum: 2024-07-15
| Aktualisiert: 2024-08-20
