Amphenol Piher Präzisions-Drehsensoren PSCR-360
Die Präzisions-Drehsensoren von Amphenol Piher sind auf eine hochgenaue und zuverlässige Positionsrückmeldung ausgelegt und in einem kompakten Gehäuse mit einem Durchmesser von 28 mm untergebracht. Die Sensoren verwenden ein kontaktloses Messprinzip, um eine lange Lebensdauer selbst unter anspruchsvollen Bedingungen zu gewährleisten. Die Sensoren PSCR-360 verfügen über eine Rotationslebensdauer von bis zu 50.000.000 Zyklen, eine 12-Bit-Auflösung, ein Gleitlager, einen mechanischen 360° -Bereich (Endlosdrehung) und eine unabhängige Linearität von ±0,3 %. Die Sensoren sind gegen Stöße und Vibrationen beständig und tolerieren einen großen Temperaturbereich. Die Sensoren PSCR-360 werden in der Industrieautomatisierung, in Off-Highway-Fahrzeugen, medizinischen Geräten und in der Verstellung des Rotorblattwinkels von Windturbinen verwendet.Merkmale
- Berührungsloser Betrieb
- 360-Grad-Absolut-Positionsrückmeldung
- Robustes IP65-Gehäuse zum Schutz vor Staub, Feuchtigkeit und extremen Temperaturen
- Eingebauter Schaft
- Rotationslebensdauer: 50.000.000 Zyklen
- 12-Bit-Auflösung
- Gleitlager
- Unabhängige Linearität von ±0,3 %
- Maximales Montagedrehmoment: 2,5 Nm
- Selbstdiagnosefunktionen
- Konfigurierbarer elektrischer Winkelbereich von 15 bis 360 °
Applikationen
- Transport, Landwirtschaft und Bauwesen:
- Position der Aufhängung
- Gaspedal- und Bremspedalposition
- Gabelhöhe und Mastneigung
- Hilfsausleger- und Hauptauslegerwinkel
- Federungs- und Karosseriehöhenerkennung
- Positionserkennung für Ausleger, Lader und andere Gelenkmechanismen
- Winkelerkennung bei Steuerhebeln für Traktoren, Erntemaschinen und Baumaschinen
- Lenkwinkelmessung in Pkws und Nutzfahrzeugen
- Industrieanforderungen:
- Robotik- und Automatisierungsrückmeldung
- Überwachung der Ventil- und Stellantriebsposition
- Betrieb von Förderanlagen
- Verstellung der Rotorblattwinkel und Gondelausrichtung
- Medizinisches Equipment
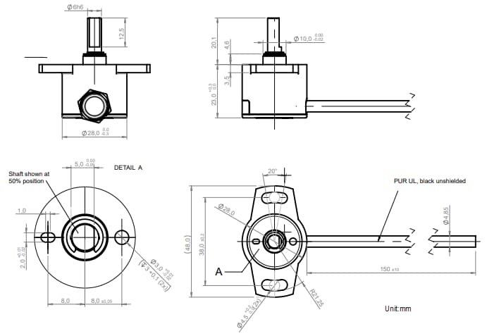
Mechanisches Diagramm
Veröffentlichungsdatum: 2025-02-13
| Aktualisiert: 2025-02-25
