Amphenol Rochester Sensors S286 Kapazitiver Ölstand-Schalter
Amphenol Rochester Sensors S286 Kapazitive Ölstand-Schalter sind aktive Bauteile, die ein Alarmsignal abgeben, wenn der Ölstand unter einen voreingestellten Wert fällt oder diesen übersteigt. Sie können mit einer Verzögerung spezifiziert werden, um Fehlalarme aufgrund von Turbulenzen zu vermeiden. Der Schalter enthält einen werkseitig programmierbaren Mikroprozessor und bietet Senke-zu-Masse-, Quellspannungs- oder beide Ausgänge an separaten Pins.Die S286 kapazitiven Ölstand-Schalter von Amphenol Rochester Sensors zeichnen sich durch einen geringen Footprint, einen begrenzten Eingriff in den Tank, wodurch das Beschädigungsrisiko reduziert wird, und eine große Auswahl kundenspezifischer Optionen aus, wodurch sie für viele Applikationen geeignet sind.
Merkmale
- Kapazitive Ölschalter sind Halbleiterschalter und haben daher keine beweglichen Teile, die klemmen oder blockieren könnten
- Schützen Motoren vor Schäden durch Ölmangel
- Konzipiert, entwickelt, getestet und zugelassen für den Einsatz in anspruchsvollen OEM- Applikationen
Applikationen
- Engine oil level protection (detects low or high oil levels to prevent engine damage)
- Commercial vehicles and heavy equipment (compact design with minimal intrusion into the sump or tank)
- Industrial engines and compressors (reliable oil level monitoring for critical machinery)
- Generator sets (oil level alarms for engine protection and shutdown systems)
- OEM engine protection systems (programmable outputs for integration into control electronics)
Weitere Ressourcen
Typische Applikation
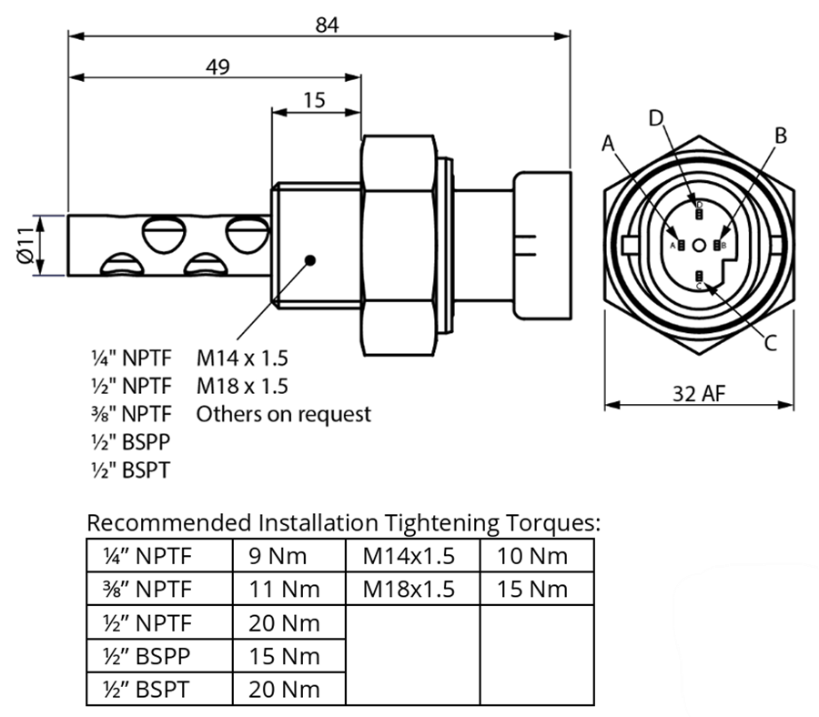
Abmessungen
Veröffentlichungsdatum: 2026-02-06
| Aktualisiert: 2026-03-11
