Analog Devices Inc. AD-BMSE2E3W-SL Evaluierungsboard
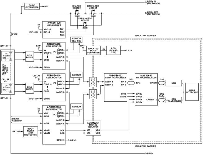
Das Evaluierungsboard AD-BMSE2E3W-SL von Analog Devices Inc. ist ein vollständiges Batteriemanagementsystem-Referenzdesign (BMS) für leichte Elektrofahrzeuge (LEV). Dieses Board bietet einen geregelten Spannungsbereich von 72 V bis 96 V, eine Stromkapazität von bis zu 100 A und eine stromsparende Zellenüberwachungsfunktion (LPCM). Das integrierte Einzelboard-System der Baureihe AD-BMSE2E3W-SL verfügt über den ADBMS6830 16-Zellen-Wächter, den ADBMS2950 Paket-Stromwächter, den ADBMS6822 isoSPI-Transceiver und den MAX32690 Mikrocontroller. Dieses Evaluierungsboard arbeitet im Embedded-Modus oder unter Verwendung einer GUI zur Berechnung des SoC und des Gesundheitszustands (SoH) der Batterie über eine verbesserte Coulomb-Zähltechnik. Zu den typischen Applikationen gehören elektrische und hybride Zweirad-Fahrzeuge, sowie elektrische und hybride Dreirad-Fahrzeuge.Merkmale
- Variabler Spannungsbereich von 72 V bis 96 V, geeignet für E2W/E3W-Applikationen
- ASIL-D-konformer und automobiltauglicher BMS-Chip
- Eingebaute Ladungs-, Vorlade- und Entladeschaltung
- 1,8 mV Gesamtmessfehler (TME) für die Überwachung der Zellspannung
- Leistungsstarke Zellen-/Pack-Spannungs- und Stromüberwachung
- On-Board-isoSPI-Kommunikation
- Stromsparende Zellenüberwachungsfunktion (LPCM)
- GPIO-steuerbare FET-Überwachung
- ADBMS6830 GPIO-Eingang mit Vorbereitung für NTC-Sensoren
- MAX32690 MCU mit geringem Stromverbrauch
- UART- und CAN-Kommunikation
- SoC und SoH durch verbesserte Coulomb-Zähltechnik
- Grundlegende Systemverhalten-Modi E2W/E3W
- Embedded-Applikationsbereit (über CLI)
- Mit einem GUI, welches die folgenden Messungen und Fehlererkennung durchführen kann:
- Zellenüberwachung
- Spannungs- und Strompaket-Überwachung
- Ladestromüberwachung
- Entladestromüberwachung
- Temperaturüberwachung
- Zellen-OV/UV-Erkennung
- Zell-/GPIO-Unterbrechungserkennung
- Zellenausgleichfunktion
Applikationen
- Zweirad-Elektro- und Hybrid-Fahrzeuge
- Dreirad-Elektro- und Hybrid-Fahrzeuge
- Leichte Elektrofahrzeuge
Erforderliche Ausrüstung
- 1 x AD-BMSE2E3W-SL (Hauptboard)
- 2 x Zellen-Steckverbinderblock
- 2 x DC2472A Batterie-Emulator
- 1 x MAX32625PICO Programmierer mit 10-Pin-SWD-Kabel
- 4 x USB™-Typ-B-Kabel
- 1 x BU-P1166-12-2 (rot) Bananenstecker zu Krokodilklemme
- 1 x BU-P1166-12-0 (schwarz) Bananenstecker zu Krokodilklemme
- Host-PC mit Microsoft Windows 10®
Blockdiagramm
Veröffentlichungsdatum: 2024-07-16
| Aktualisiert: 2024-07-29
