Analog Devices Inc. AD8428 Instrumentierungsverstärker
Der AD8428 äußerst rauscharme Instrumentierungsverstärker von Analog Devices wurde speziell zur präzisen Messung winziger Hochgeschwindigkeitssignale entwickelt. Er liefert außergewöhnliche Werte bei Verstärkungsgenauigkeit, Rauschen und Bandbreite. Der ADI AD8428 verfügt über eine feste Verstärkung von 2000 und ist einer der schnellsten Instrumentierungsverstärker der Industrie. Die Schalterarchitektur ist für große Bandweiten bei hoher Verstärkung konzipiert. Der hohe CMRR-Wert des AD8428 verhindert, dass das relevante Signal durch unerwünschte Signale korrumpiert wird. Die Pinbelegung des Teils wurde so gewählt, das parasitäre Kapazitätskonflikte vermieden werden, die bei hohen Frequenzen zur Absenkung des CMRR-Werts führen könnten. Dieses ADI-Gerät eignet sich ideal zum Gebrauch in einer Sensor-Schnittstelle, in medizinischen Instrumenten und Patientenüberwachungsanwendungen.Merkmale
- Fixed gain of 2000
- Access to internal nodes provides flexibility
- 1.5nV/√Hz input voltage low noise
- High accuracy dc performance
- 10ppm/°C Gain drift
- 1μV/°C Offset drift
- 0.2% Gain accuracy
- 130dB min CMRR
- Excellent ac specifications
- 3.5MHz Bandwidth
- 40V/μs Slew rate
- ±4V to ±18V Power supply range
- 8-pin SOIC package
- ESD protection >5000V (HBM)
- −40°C to +85°C Temperature range for specified performance
- Operational up to 125°C
Applikationen
- Sensor interface
- Medical instrumentation
- Patient monitoring
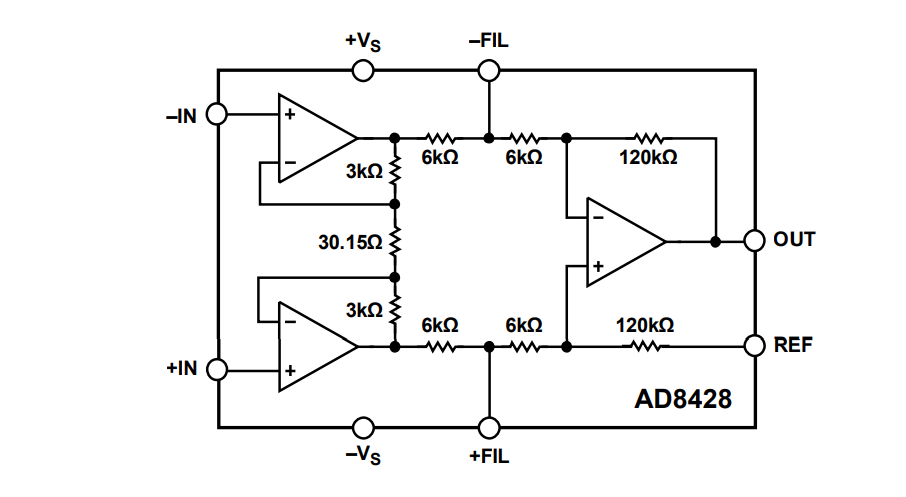
Block Diagram
Veröffentlichungsdatum: 2013-04-25
| Aktualisiert: 2022-03-11
