Analog Devices Inc. ADES175x Hochspannungs-Datenerfassungssysteme
Die ADES175x Hochspannungs-Datenerfassungssysteme von Analog Devices Inc. sind flexible Systeme für die Verwaltung von Niederspannungs- und Hochspannungs-Batteriemodulen. Diese Systeme messen 14 Zellspannungen und eine Kombination von sechs Temperaturen oder Systemspannungen mit redundanten Messmotoren in 162 μs. Die ADES175x Systeme können alle Eingänge mit der Analog-Digital-Wandler-Messengine (ADC) von 99 μs ausführen. Diese Systeme verwenden ein Batteriemanagement-UART-Protokoll für eine robuste Kommunikation und unterstützen eine I2C-Controller-Schnittstelle für die externe Gerätesteuerung.Die ADES175x Systeme enthalten individuell konfigurierbare Sicherheitsalarme, wie z. B. Überspannungs-, Unterspannungs-, Übertemperatur- und Untertemperaturfehler. Diese Systeme arbeiten bei einer maximalen Versorgungsspannung von 65 V und einem Temperaturbereich von -40 °C bis 105 °C. Die ADES175x-Systeme werden zum EV-Laden, in batteriebetriebenen Werkzeugen, Superkondensatorsystemen, Hochspannungs-Batteriestapeln und Batteriespeichersystemen in Wohngebäuden verwendet.
Merkmale
- Redundante ADC- und Komparator(COMP)-Akquisitionen
- Gleichzeitige Zell- und Sammelschienen-Spannungserfassung
- 14 Zellspannungs-Messkanäle:
- 2,2 mV/5 mV/10 mV Genauigkeit (-40 °C bis 105 °C)
- 1,8 mV Genauigkeit (5 °C bis 65 °C)
- 14 Zellenausgleichsschalter:
- Software-programmierbarer Ausgleichsstrom: > 300 mA
- Automatisierter Ausgleich durch Zellspannung
- Automatisiertes Balancing mit einzelnen Zellentimern
- Notentladungsmodus
- Batteriemanagement-UART-Protokoll:
- Induktiv für eine höhere galvanische Trennung
- Bis zu 2 Mbps Baudrate (automatische Erkennung)
- 1,5 μs Laufzeitverzögerung pro Bauelement
- Daisy-Chain von bis zu 32 Bauteilen
- Paketfehlerprüfung (PEC)
- Sechs konfigurierbare Hilfseingänge für Temperatur, Spannung oder GPIO
- Integrierte Plättchen-Temperaturmessung
- Hot-plug-tolerant ohne externen Schutz
- UART- und Dual-UART-Schnittstelle
- I2C-Controller
- Einzigartige 32-Bit-Bauelement-ID
- Individuell konfigurierbare Sicherheitswarnungen
- 1-Zell-Diskrepanz-Alarm
- Überspannungs- und Untertemperaturfehler
- Unterspannungs- und Übertemperaturfehler
- 65 V Maximale Versorgungsspannung
- Betrieb mit extrem geringem Stromverbrauch
Applikationen
- Batterie-Backup-Systeme (USV)
- Hochspannungs-Batteriestapel
- Batteriespeichersysteme in Wohngebäuden
- Superkondensator-Systeme
- Batteriebetriebene Werkzeuge
- EV-Ladung
Videos
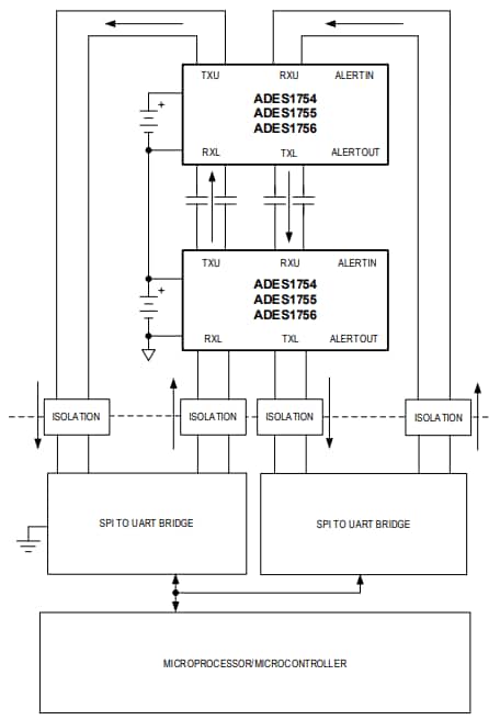
Typisches Applikationsdiagramm
Veröffentlichungsdatum: 2024-02-07
| Aktualisiert: 2024-08-30
