Analog Devices Inc. ADL6012-EVALZ Evaluierungsboard
Das ADL6012-EVALZ Evaluierungsboard von Analog Devices Inc. bietet eine Demonstrations- und Entwicklungsplattform für den ADL6012 2-GHz- bis 67-GHz-Breitband-Hüllkurvendetektor. Das ADL6012 verfügt je nach Eingangsleistungspegel über schnelle Anstiegs-/Abfallzeiten von ca. 1 ns mit einer Ausgangs-Hüllkurvenbandbreite von 500 MHz. Das ADL6012-EVALZ bietet die grundlegenden Verbindungen für das HF-Eingangssignal und die Hüllkurven-Ausgangsspannung. Differential-Hüllkurven-Ausgänge auf dem ADL6012-EVALZ können zur Evaluierung der Differential-Hüllkurven-Verfolgungsfunktionen direkt an ein Hochgeschwindigkeits-Oszilloskop angeschlossen werden.Merkmale
- Vollständig bestücktes Evaluierungsboard für den ADL6012
- Spezifiziert bis zu 67 GHz
- Betrieb von 3,15 V bis 5,25 V
- SMA-Steckverbinder für HF IN, VEH+ und VEH-
Applikationen
- Envelope-Tracking
- Mikrowellen-Punkt-zu-Punkt-Verbindungen
- Mikrowellenmessgeräte
- Militärfunkgeräte
- Impuls-Radarempfänger
- Linearisierung von Breitband-Leistungsverstärkern
Erforderliche Ausrüstung
- Analoger Signalgenerator bis zu 67 GHz
- Hochgeschwindigkeits-Oszilloskop
- DC-Voltmeter
- 5 V netzteil
- Differentialsonde
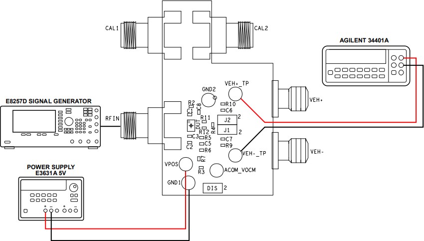
Typische DC-Messeinrichtung
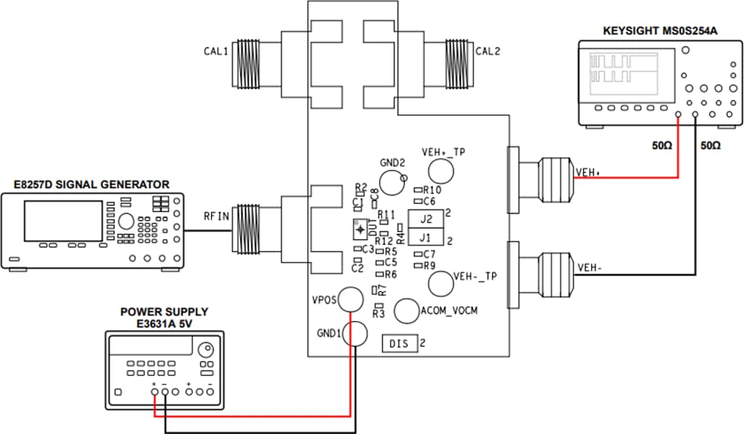
Messung der Hüllkurve
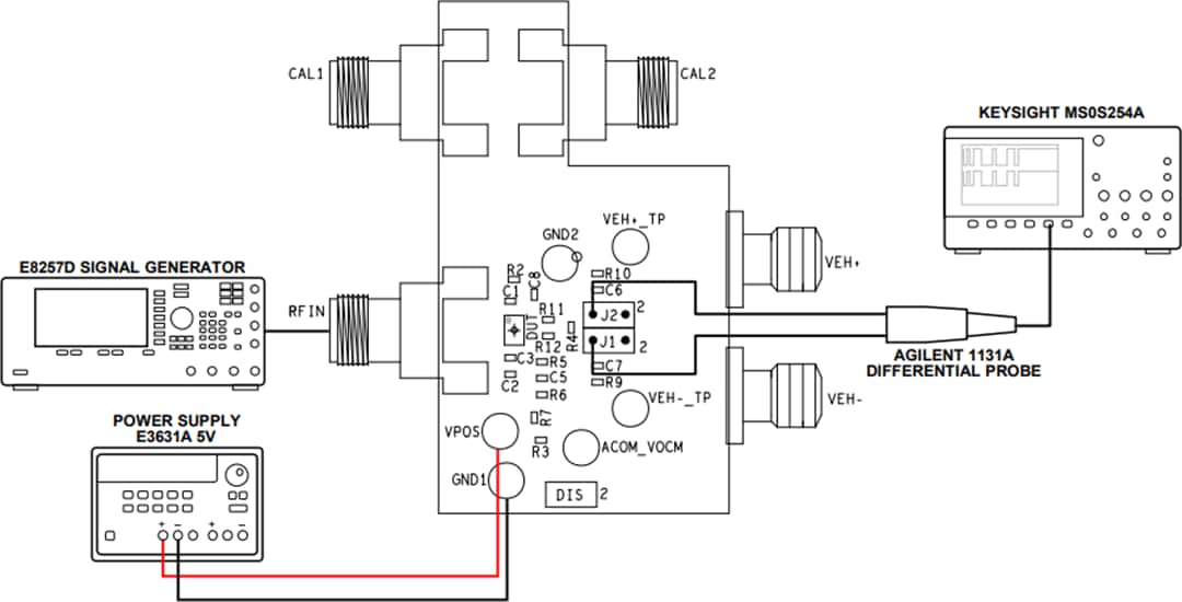
Differentieller Hüllkurvenausgang
Veröffentlichungsdatum: 2020-07-06
| Aktualisiert: 2024-10-18
