Analog Devices Inc. ADL8102-EVALZ Evaluierungsboard
Das ADL8102-EVALZ Evaluierungsboard von Analog Devices ist eine zweilagige Leiterplatte (PCB) mit einer Dicke von 10 mm, Rogers 4350B und Kupferbeschichtung. Die ADL8102-EVALZ HFIN - und HFOUT -Anschlüsse verfügen über 2,9 mm Koaxialbuchsen und die entsprechenden HF-Spuren haben eine Wellenimpedanz von 50 Ω.Der ADI ADL8102-EVALZ verfügt über Komponenten, die sich ideal für den Einsatz über den gesamten Betriebstemperaturbereich von -40 °C bis +85 °C eignen.
Merkmale
- Zweilagiges Evaluierungsboard Rogers 4350B
- 2,9-mm-End-Launch-HF-Steckverbinder
- Über den Kalibrierungspfad (unbestückt)
Applikationen
- Telekommunikation
- Satellitenkommunikationssysteme
- Militärische Radaranlagen
- Wetterradar
- Zivile Radaranlagen
- Elektronische Kriegsführung
Erforderliche Ausrüstung
- HF-Signalgenerator
- HF-Spektrumanalysator
- RF-Netzwerkanalysator
- 5 V, 500 mA Netzteil
Layout
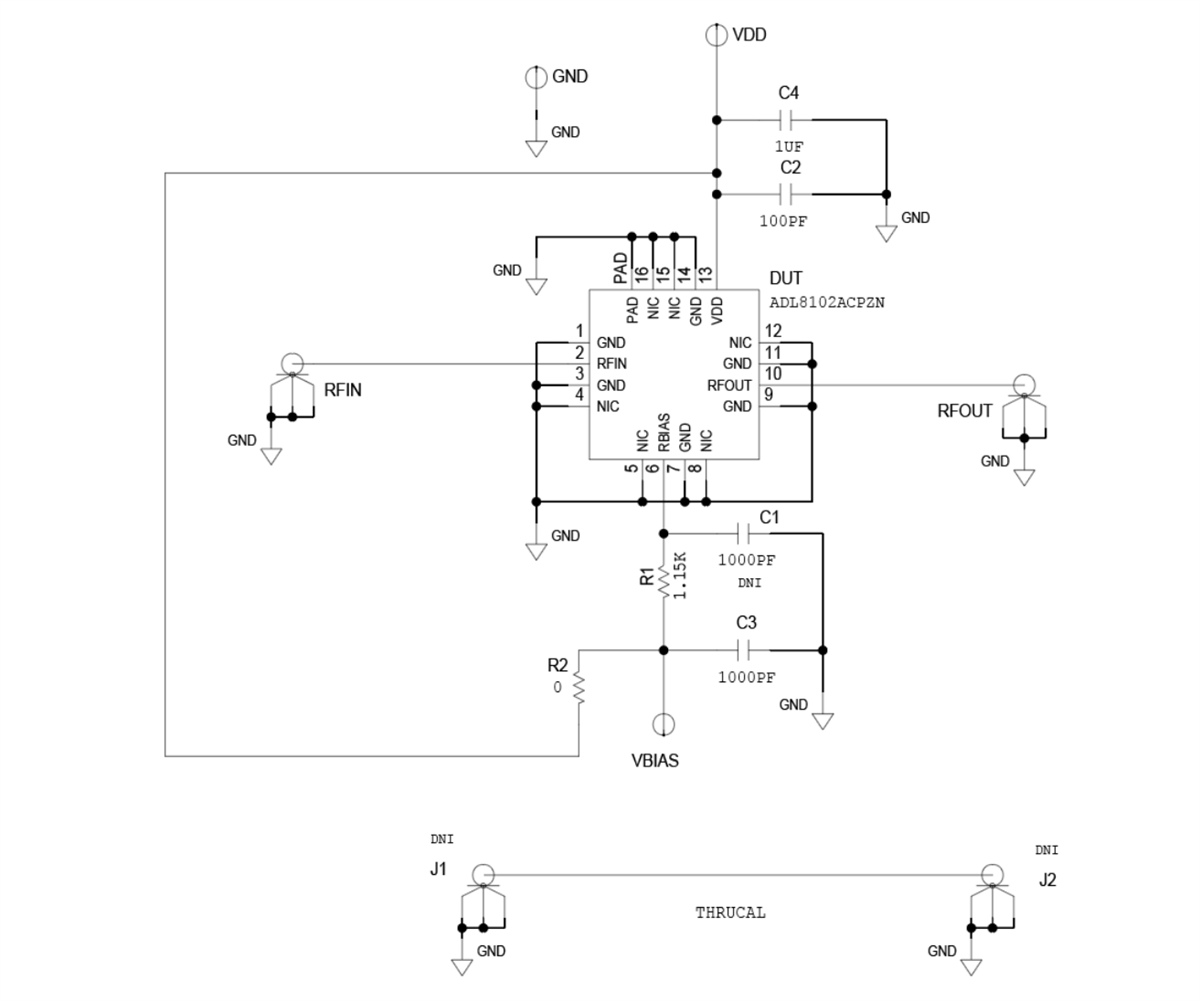
Schaltschema
Veröffentlichungsdatum: 2023-12-18
| Aktualisiert: 2024-01-30
