Analog Devices Inc. ADM256xE RS-485 Transceiver
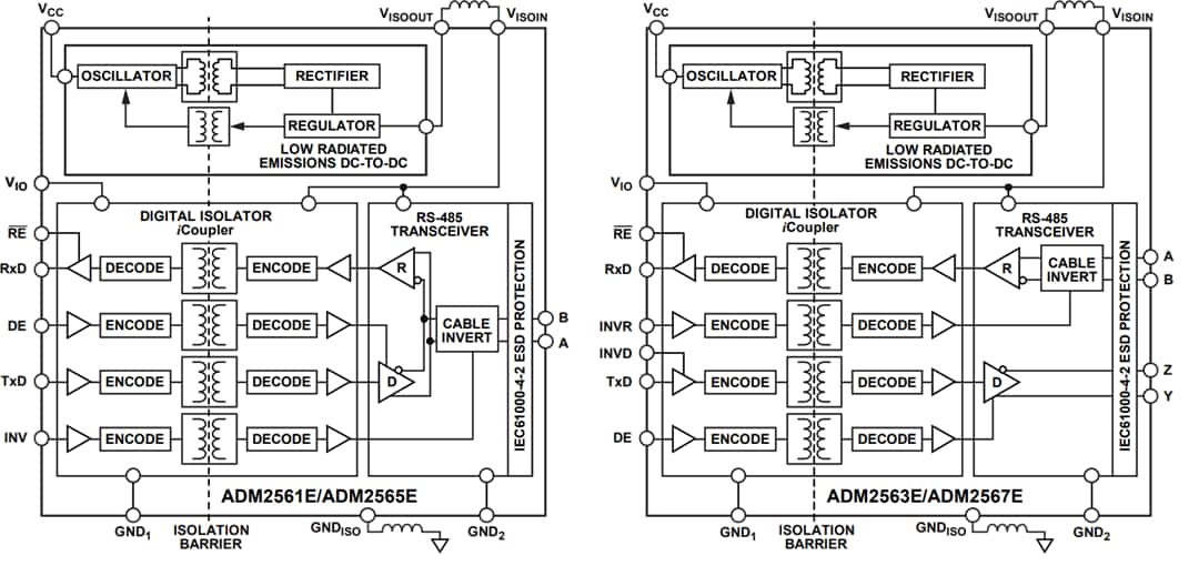
Die ADM2561E, ADM2563E, ADM2565E und ADM2567E RS-485-Transceiver von Analog Devices Inc. sind isolierte 3-kV-RMS -Signal- und Leistungsbauteile mit einem integrierten DC/DC-Wandler, der für niedrige elektromagnetische Störungen (EMI) optimiert ist. Der integrierte DC/DC-Wandler beseitigt die Notwendigkeit für eine externe isolierte Stromversorgung. Die Isolationsbarriere bietet Immunität gemäß elektromagnetischen Verträglichkeitsstandards (EMV) auf Systemebene. Der ADM2561E, ADM2563E, ADM2565E und ADM2567E verfügt auf den RS-485-A-, B-, Y- und Z-Pins über eine ±12-kV-Kontakt- und eine ±15-kV-Luftentladung gemäß IEC61000-4-2 ESD-Schutz. Darüber hinaus verfügen die Bauteile über Kabel-Wendepins, die dem Benutzer die schnelle Korrektur einer vertauschten Kabelverbindung auf den A-, B-, Y- und Z-Bus-Pins ermöglicht, während gleichzeitig eine vollständige Ausfallsicherheit des Empfängers aufrechterhalten wird.Versionen mit begrenzter Anstiegsrate sind verfügbar, die für eine niedrige Geschwindigkeit über lange Kabelstrecken optimiert sind und über eine maximale Datenrate von 500 kbps verfügen. Halbduplex- und Vollduplex-Varianten sind ebenfalls erhältlich. Die Vollduplex-Generika ermöglichen einen unabhängigen Kabelumtausch des Treibers und Empfängers für zusätzliche Flexibilität.
Die ADM2561E, ADM2563E, ADM2565E und ADM2567E RS-485 Transceiver von Analog Devices werden in einem 28-Pin-Wide-Body-SOIC-Gehäuse angeboten.
Merkmale
- Isolierter 3 kVRMS -RS-485/RS-422-Transceiver
- Integrierter, isolierter DC/DC-Wandler mit geringen abgestrahlten Emissionen
- Erfüllt die Anforderungen gemäß EN 55032 Klasse B mit Marge auf einer 2-lagigen PCB
- Smart-Kabelumtauschfunktion, Korrektur einer vertauschten Kabelverbindung auf den A-, B-, Y- und Z-Bus-Pins, während gleichzeitig die vollständigen Ausfallsicherheitsfunktionen des Empfängers aufrechterhalten werden
- ESD-Schutz auf A-, B-, Y- und Z-Pins des RS-485
- Kontaktentladung: ≥ ±12 kV gemäß IEC61000-4-2
- ±15 kV IEC61000-4-2 Luftentladung
- Datenraten
- Hochgeschwindigkeits-25 Mbps (ADM2565E und ADM2567E)
- 500 kbps mit niedriger Geschwindigkeit für EMI-Steuerung (ADM2561E und ADM2563E)
- Flexible Netzteile
- Eingangs-VCC -Versorgung von 3,0 V bis 5,0 V
- Logik-VIO -Versorgung von 7,0 V bis 5,5 V
- VSEL -Pin zur Auswahl der VISO -Versorgung von 5,0 V (VCC > 5,0 V) oder 3,3 V
- PROFIBUS-konform für 5,0 V VISO
- Hohe Gleichtakt-Transientenimmunität von 250 kV/µs
- Ausfallsicherer Kurzschluss-, Leerlauf- und potentialfreier Eingangsempfänger
- Unterstützt 196 Bus-Knoten (72 kΩ Empfänger-Eingangsimpedanz)
- Vollständige Hot-Swap-Unterstützung (störungsfreies Ein-/Ausschalten)
- Sicherheitszertifizierungen und behördliche Genehmigungen (beantragt)
- CSA Component Acceptance Notice 5A
- DIN V VDE V 0884-11
- UL 1577
- CQC11-471543-2012
- IEC 61010-1
- Großer Betriebstemperaturbereich von -40 °C bis +105 °C
- 28-Pin-SOIC_W-Gehäuse mit feinem Rastermaß, 10,15 mm x 10,05 mm
Applikationen
- HLK-Netzwerke (Heizung, Lüftung und Klimaanlage)
- Industrie-Feldbusse
- Gebäudeautomatisierung
- Versorgungsnetzwerke
- Stromzähler
Produktvarianten
Blockdiagramme
Gehäuseabmessungen
Veröffentlichungsdatum: 2020-07-08
| Aktualisiert: 2024-10-18
