Analog Devices Inc. ADP2450 Leistungsmanagement-IC
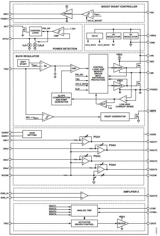
Der Analog Devices ADP2450 Leistungsmanagement-IC ist optimiert für Niederspannungs-Leistungsschalter wie z. B. Leistungsschalter mit geformtem Gehäuse (MCCB) und Stromtransformer-betriebene Versorgungsapplikationen. Das Bauteil integriert vier Verstärker mit geringem Offset und geringem Stromverbrauch. Die programmierbaren Gain-Funktionen des ADP2450 bieten genaue Messungen über einen großen Stromeingangsbereich, der auf dem CT-Windungsverhältnis basiert. Ein Operationsverstärker mit geringem Offset ist im Bauteil für die Erkennung von Ableitstrom integriert. Der Abwärtsregler wird über einen großen Eingangsspannungsbereich von 4,5 V bis 36 V betrieben. Die Ausgangsspannung kann bis hinunter zu 0,6 V eingestellt werden. Der Abwärtsregler bietet Ausgangsströme von bis zu 500 mA.Merkmale
- Aufwärts-Shunt-Controller
- Integrierter Aufwärts-Shunt-Treiber
- Programmierbarer Leistungserkennungs-Schwellenwert
- Abwärtsregler
- Einstellbarer Ausgangsspannungsbereich: 4,5 V bis 36 V
- Eingangsspannungsbereich: 4,5 V bis 36 V
- Dauerausgangsstrom: 500 mA
- Betriebsversorgungsstrom: 1,35 mA
- Feste Ausgangsoptionen: 3,3 V und 5 V
- Festgelegte Schaltfrequenz: 1,2 MHz
- Einstellbare Ausgangsspannung: bis hinunter zu 0,6 V
- Spannungsüberwachung und Open-Drain-Reset-Ausgang
- 4 Verstärker mit programmierbarer Gain
- Geringer Stromverbrauch
- Programmierbare Gain und DC-Ausgangs-Gleichtaktspannung
- Operationsverstärker mit geringem Offset für die Erkennung von Ableitstrom und Erdschlussstrom
- Analoge Auslösungsschaltung mit programmierbaren Auslösungsschwellenwerten
- Betätiger-Treiberausgang
- In 32-Pin-LFCSP- oder 48-Pin-LQFP-Gehäusen verfügbar.
- Sperrschichttemperaturbereich: -40 °C bis +125 °C
Applikationen
- Niederspannungs-Leistungsschalter
- CT-betriebene Versorgung
Typische Applikations-Schaltung
Blockdiagramm
Power By Linear
Veröffentlichungsdatum: 2019-07-22
| Aktualisiert: 2024-03-01
