Analog Devices Inc. ADPA1112-EVALZ Evaluierungsboard
Das Evaluierungsboard ADPA1112-EVALZ von Analog Devices ist eine kompakte und effiziente Plattform, die zur Evaluierung des Betriebsverhaltens des GaN-Breitband-Leistungsverstärkers ADPA1112 entwickelt wurde. Die zweilagige Leiterplatte (PCB) aus 10 mil dickem, kupferbeschichtetem Rogers 4350B-Material ist auf einem Aluminium-Wärmeverteiler montiert. Der Wärmeverteiler bietet der PCB thermische Entlastung und mechanische Unterstützung. Dieses Board arbeitet über einen weiten Frequenzbereich von 30 MHz bis 1200 MHz und eignet sich besonders für HF-Applikationen, die eine hohe Linearität, eine hohe Gain und eine hohe Energieeffizienz erfordern.Das ADPA1112-EVALZ von Analog Devices verfügt über ein vollständig montiertes und getestetes Layout, mit dem Ingenieure die Fähigkeiten des Verstärkers unter realen Bedingungen schnell beurteilen können. Das Board verfügt über SMA-Anschlüsse für eine einfache HF-Eingangs- und Ausgangsschnittstelle sowie deutlich gekennzeichnete Testpunkte für Vorspannung und Steuerspannung. Dank seines robusten Designs und der unkomplizierten Einrichtung eignet sich das ADPA1112-EVALZ gut für den Einsatz in Luft- und Raumfahrt- und Verteidigungssystemen, Kommunikationsinfrastrukturen, Messgeräten und softwaredefinierten Funksystemen.
Merkmale
- 2-lagiges Evaluierungsboard aus Rogers 4350B mit Wärmeverteiler
- Endabschluss 2,92-mm-HF-Steckverbinder
- Durchgehender Kalibrierpfad
- 50 Ω HF-Spuren-Wellenimpedanz
- 50 Ω geerdete Koplanar-Wellenleiter
Applikationen
- Luft- und Raumfahrt sowie Verteidigungssysteme
- Messtechnik
- Kommunikationsausrüstung
- Software-definierte Funksysteme (SDRs)
- Breitband-HF-Leistungsverstärkung
Erforderliche Ausrüstung
- HF-Signalgenerator
- HF-Spektrumanalysator
- HF-Netzwerkanalysator
- Stromversorgung 30 V, 3 A
- Stromversorgung -3 V bis 0 V, 10 mA
- Stromversorgung 5 V, 20 mA
Ressourcen
Typische Anschlüsse für Einrichtung und Betrieb des Prüfstands
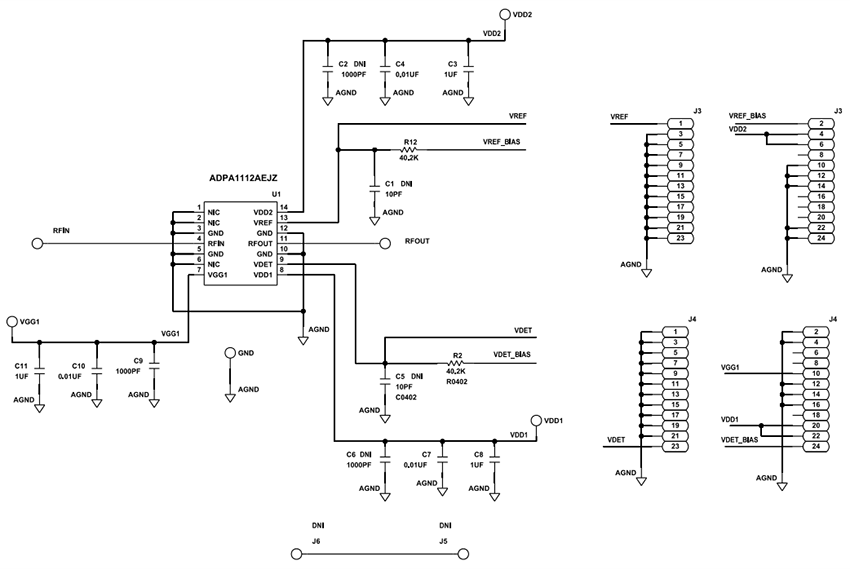
Schaltschema
Bestückungszeichnung
Veröffentlichungsdatum: 2025-08-01
| Aktualisiert: 2025-08-18
