Analog Devices Inc. ADRF5545A-EVALZ Evaluierungsboard
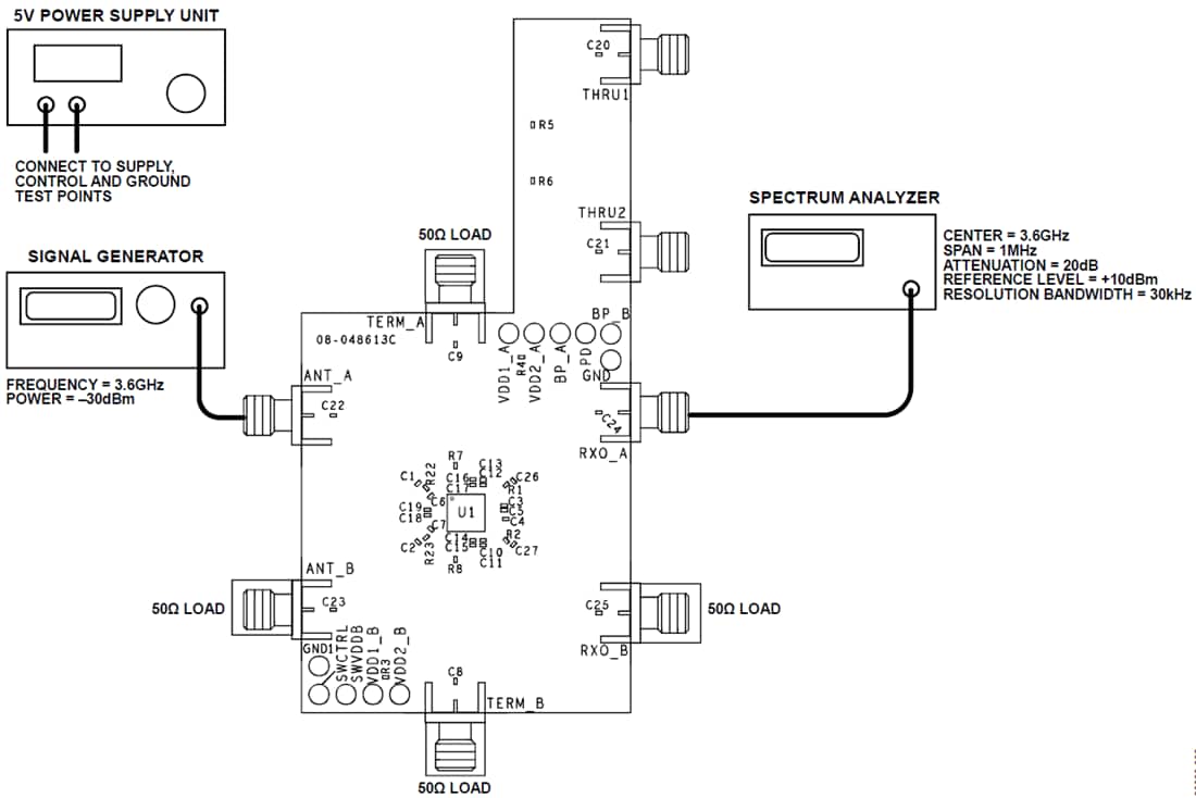
Das Analog Devices ADRF5545A-EVALZ Evaluierungsboard ist zur Unterstützung der Evaluierung der Funktionen und des Betriebsverhaltens des ADRF5545A ausgelegt. Der ADRF5545A ist ein integriertes Zweikanal-Funkfrequenz(HF)-Frontend, das sich hervorragend für drahtlose Time-Division-Duplexing(TDD)-Infrastrukturapplikationen eignet. Das ADRF5545A ist ein Multichip-Bauteil, das aus einem Hochleistungsschalter und einem rauscharmen Zweiphasen-Verstärker auf jedem Kanal besteht.Merkmale
- Vollständig bestücktes Evaluierungsboard für den ADRF5545A
- Einfache Verbindung zu Testausrüstungen
- Anpassungsnetzwerk für 2,6 GHz und 3,6 GHz
- Durchlassleitung für Kalibrierung
Erforderliche Ausrüstung
- DC-Stromversorgung
- Signalgenerator
- Spektrumanalysator
- Netzwerkanalysator
Testeinrichtung
Veröffentlichungsdatum: 2019-10-02
| Aktualisiert: 2024-03-04
