Analog Devices Inc. ADRF5549-EVZF Evaluierungsboard

Das Analog Devices Inc. ADRF5549-EVZF Evaluierungsboard ist zur Evaluierung der ADRF5549 Zweikanal-HF-Frontend-Module (FEMs) ausgelegt. Dieses Evaluierungsboard verfügt über eine einfache Verbindung zum Testen des Bauteils und eine Durchlassleitung für die Kalibrierung. Das ADRF5549-EVTHE Board arbeitet in einem Frequenzbereich von 1,8 GHz bis 2,8 GHz und bei einer Versorgungsspannung von 5 V.

Merkmale

  • Evaluiert ADRF5549 Zweikanal-HF-FEMs
  • Einfache Verbindung zu Testausrüstungen
  • Durchlassleitung für Kalibrierung

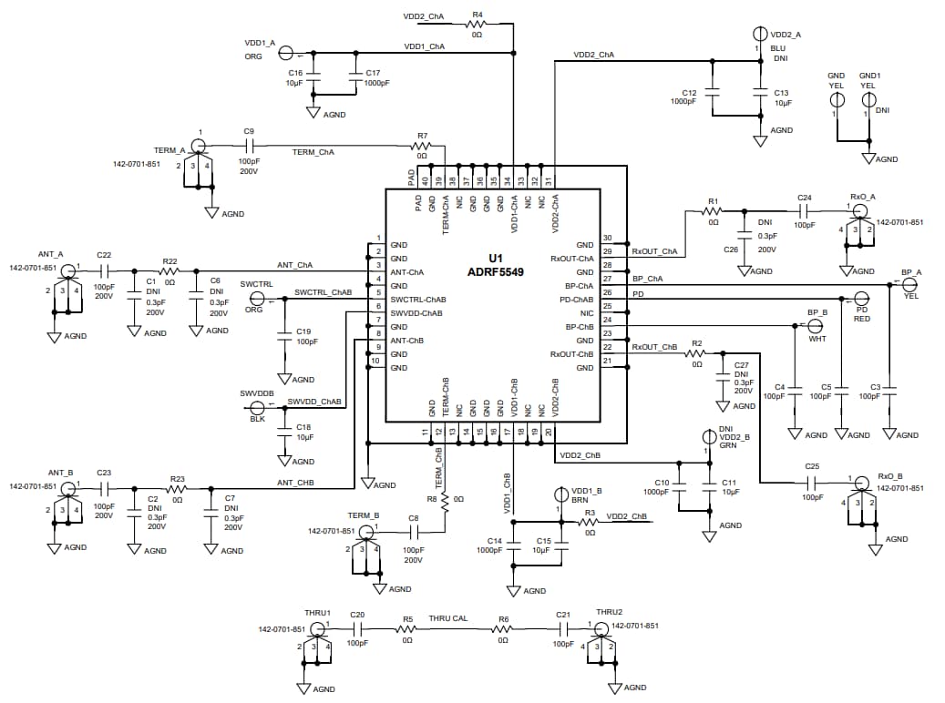
Schaltplan

Schaltplan - Analog Devices Inc. ADRF5549-EVZF Evaluierungsboard
Veröffentlichungsdatum: 2019-11-27 | Aktualisiert: 2024-02-26