Analog Devices Inc. ADRF57xx Evaluierungsboards
Analog Devices Inc. ADRF57xx Evaluierungsboards evaluieren die ADRF57xx Produktlinie (ADRF5720, ADRF5721, ADRF5730 und ADRF5731) von digitalen Schrittdämpfern. Diese Boards sind vierlagige Evaluierungsboards, bei denen die oberen und unteren Schichten mit 0,5 oz (0,7 mil) bis 1,5 oz. (2,2 mil) Kupfer beschichtet und durch dielektrische Materialien getrennt sind. Alle HF- und DC-Spuren werden auf der oberen Kupferschicht geroutet. Die inneren und unteren Schichten sind geerdete Flächen, die eine solide Erdung für die HF-Übertragungsleitungen bieten. Die mittleren und unteren dielektrischen Materialien dieser Evaluierungsboards bieten eine mechanische Festigkeit. Die gesamte Boardstärke beträgt 62 mil. Dadurch kann ein 2,4mm-HF-Launcher an den Boardkanten verbunden werden.Applikationen
- Industrie-Scanner
- Prüf- und Messgeräte
- 5G-Millimeterwellen-Mobilfunk-Infrastruktur
- Militärfunkgeräte, Radar und elektronische Gegenmaßnahmen (ECMs)
- Mikrowellenfunkgeräte und Very Small Aperture Terminals (VSATs)
Evaluierungsboard-Layout, Querschnitt-Anzeige
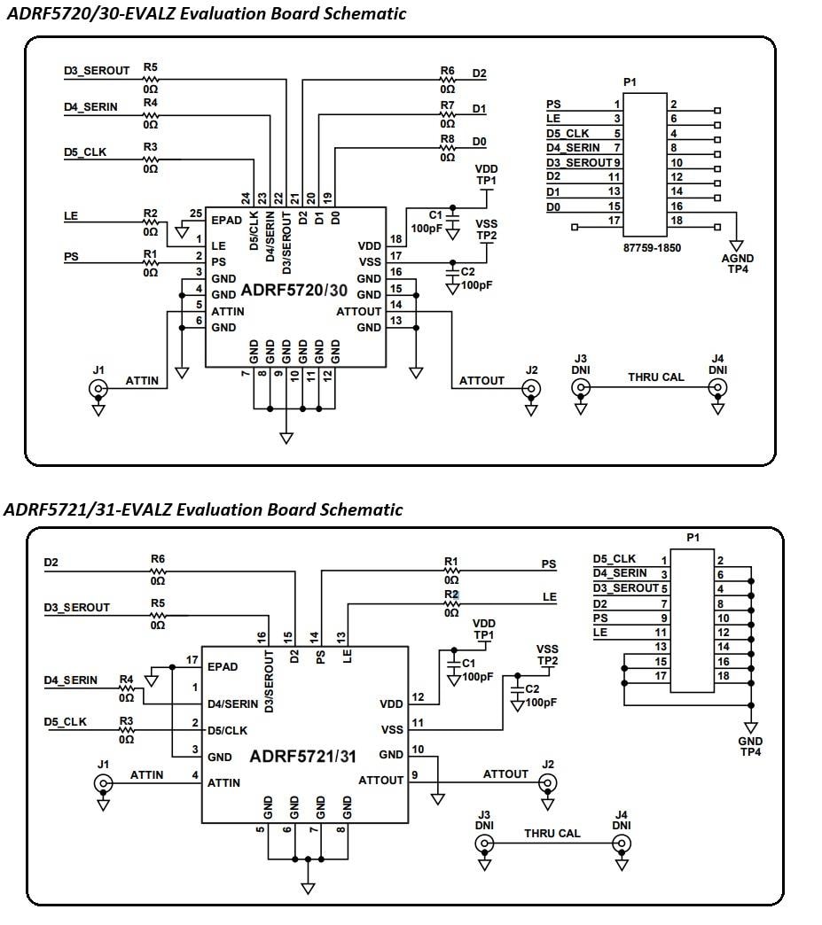
Schaltplan-Diagramme
View Results ( 4 ) Page
| Teilnummer | Datenblatt | Tool für die Evaluierung von | Frequenz |
|---|---|---|---|
| ADRF5731-EVALZ | ![]() |
ADRF5731 | 100 MHz to 40 GHz |
| ADRF5720-EVALZ | ![]() |
ADRF5720 | 9 kHz to 40 GHz |
| ADRF5730-EVALZ | ![]() |
ADRF5730 | 100 MHz to 40 GHz |
| ADRF5721-EVALZ | ![]() |
ADRF5721 | 9 kHz to 40 GHz |
Veröffentlichungsdatum: 2019-01-07
| Aktualisiert: 2023-07-27

