Analog Devices Inc. ADRV9026 Vierkanal-Breitband-HF-Transceiver
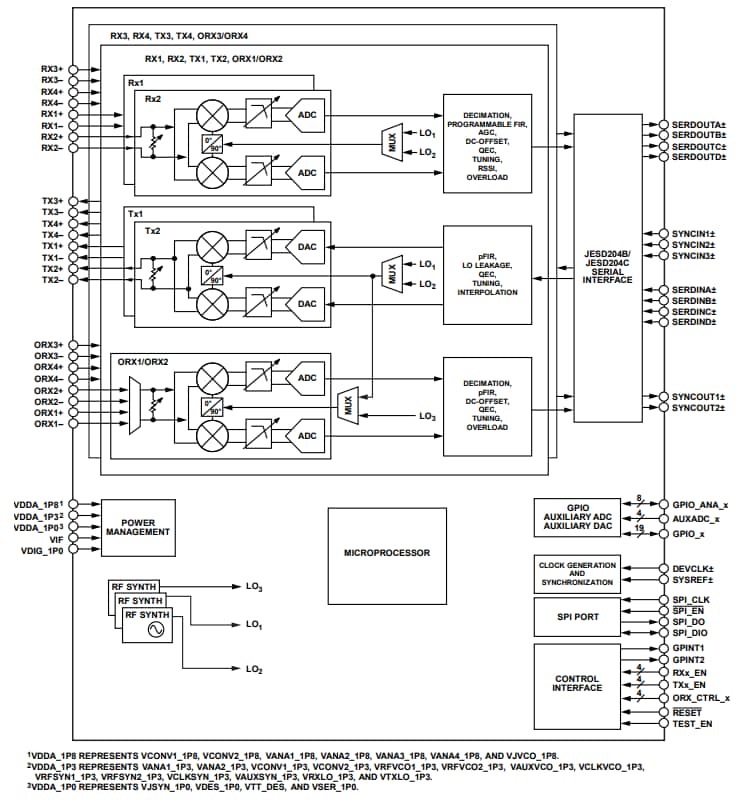
Der Analog Devices Inc. ADRV9026 Vierkanal-Breitband-HF-Transceiver ist ein hochintegrierter Agile-Transceiver, der vier unabhängig gesteuerte Sender enthält.Der ADRV9026 verfügt über dedizierte Überwachungsempfänger-Eingänge für die Überwachung der einzelnen Senderkanäle. Das Bauteil verfügt außerdem über vier unabhängig gesteuerte Empfänger, integrierte Synthesizer und digitale Signalverarbeitungsfunktionen. Dadurch wird eine vollständige Transceiver-Lösung angeboten. Das Bauteil bietet die Leistungsfähigkeit, die für Mobilfunk-Infrastrukturapplikationen, wie z. B. Kleinzellen-Basisstationen, 3G-/4G-/5G-Makrosystemen und MIMO-Basisstationen (Massive Multiple-In/Multiple-Out, MIMO), erforderlich ist.Merkmale
- 4 Differentialsender
- 4 Differentialempfänger
- 2 Überwachungsempfänger mit jeweils 2 Eingängen
- Mittenfrequenz: 650 MHz bis 6.000 MHz
- Maximale Bandbreite des Empfängers: 200 MHz
- Maximale Bandbreite des Senders: 200 MHz
- Maximale Synthesen-Bandbreite beim Sender: 450 MHz
- Maximale Bandbreite des Überwachungsempfängers: 450 MHz
- Vollständig integrierter unabhängiger Fractional-N-Funkfrequenz-Synthesizer
- Vollständig integrierter Takt-Synthesizer
- Multi-Chip-Phasensynchronisation für alle lokalen Oszillatoren und Basisband-Taktgeber
- Unterstützung für TDD- und FDD-Applikationen
- JESD204B/JESD204C 16-GBit/s-Digitalschnittstelle
Technische Artikel
- 5G Technology Devices for an O-RAN Wireless Solution
Discover a platform that meets the required RF characteristics, cost, and power budgets required to deploy a low-cost, high-performance O-RAN platform. - Simplify Antenna Calibration
The radio frequency (RF) phase-locked loop (PLL) phase synchronization feature available in Analog Devices’ software-defined radios (SDRs) helps in reducing the complexity in antenna calibrations, especially for systems that employ large antenna arrays.
Blockdiagramm
Veröffentlichungsdatum: 2019-12-03
| Aktualisiert: 2024-02-28
