Analog Devices Inc. EV-ADF4368SD1Z Evaluierungsboard

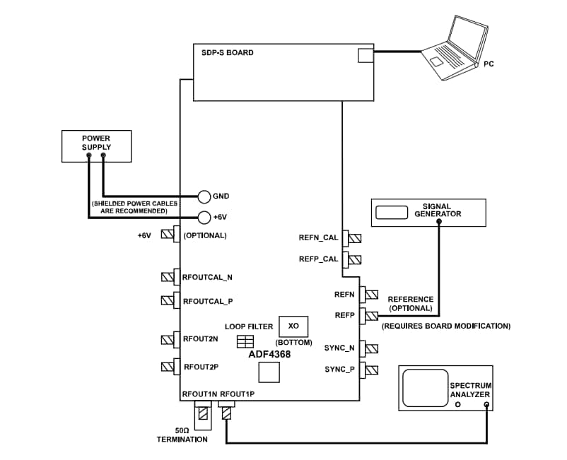
Das Analog Devices EV-ADF4368SD1Z Evaluierungsboard demonstriert den ADF4368 fraktionierten Frequenzsynthesizer mit einem integrierten spannungsgesteuerten Oszillator (VCO) für Phasenregelschleifen (PLLs). Das EV-ADF4368SD1Z enthält den ADF4368 Frequenzsynthesizer mit integriertem VCO, eine USB-Schnittstelle, Stromversorgungs-Steckverbinder, einen on-board-Referenzoszillator, Laufzeitverzögerungs-Kalibrierpfade und Subminiatur-Steckverbinder der Version A (SMA). Die Ausgänge sind mit 50Ω Übertragungsleitungen AC-gekoppelt, wodurch die Ausgänge sich für den Antrieb von 50Ω Impedanzinstrumenten eignen. Das EV-ADF4368SD1Z von ADI benötigt ein SDP-S Board (nicht im Lieferumfang des Kits enthalten). Das SDP-S ermöglicht die Softwareprogrammierung des EV-ADF4368SD1Z mit ACE-Software.

Merkmale

  • Eigenständiges board, einschließlich ADF4368 Frequenzsynthesizer mit integriertem VCO, Schleifenfilter, USB-Schnittstelle, On-Board-Referenzoszillator, Laufzeitverzögerungskalibrierpfade und Spannungsregler
  • Die Windows®-basierte Software ermöglicht die Steuerung der Synthesizerfunktionen von einem PC
  • Wird extern mit 6 V betrieben

Erforderliche Ausrüstung

  • Windows-basierter PC mit USB-Anschluss für die Evaluierungssoftware
  • Nur serielle Systemdemonstrationsplattform (SDP-S) EVAL-SDPCS1Z Controllerplatine
  • Netzteil (6 V)
  • Spektrumanalysator oder Phasenrauschanalysator
  • 50-Ω-Terminatoren
  • Rauscharme REFIN-Quelle (optional)

Einrichtungsdiagramm

Applikations-Schaltungsdiagramm - Analog Devices Inc. EV-ADF4368SD1Z Evaluierungsboard

PCB-Layout

Analog Devices Inc. EV-ADF4368SD1Z Evaluierungsboard
Veröffentlichungsdatum: 2023-07-31 | Aktualisiert: 2025-03-20