Analog Devices Inc. EV-ADF5355SD1Z Testplatine

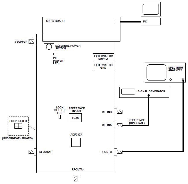
DieAnalog Devices EV-ADF5355SD1Z Testplatine hilft Entwicklern bei der Bewertung der Leistung des ADF5355 Frequenzsynthesizers. Die EV-ADF5355SD1Z Testplatine umfasst den ADF5355 Frequenzsynthesizer mit integriertem VCO, eine differentielle 122,88MHz Referenz TCXO, einen Schleifenfilter, eine USB-Schnittstelle, Stromversorgungsanschlüsse und Subminiatur-Steckverbinder Version A (SMA). Für den Anschluss der Platine an einen PC-USB-Port ist ein USB-Kabel ist im Lieferumfang enthalten. Die EV-ADF5355SD1Z Testplatine arbeitet in Verbindung mit der . Die EV-ADF5355SD1Z verbindet sich mit der SDP-Controllerplatine, die über USB 2.0 die Verbindung mit dem PC herstellt. Die Entwicklungssoftware kommuniziert über die SDP-Controllerplatine. Die SDP-Controllerplatine leitet dann die Informationen an die Testplatine weiter.

Merkmale

  • Self-contained board includes:
    • ADF5355 frequency synthesizer with integrated voltage-controlled oscillator (VCO)
    • Differential 122.88MHz temperature-controlled crystal oscillator (TCXO)
    • Loop filter (5kHz)
    • USB interface
    • Voltage regulators
  • Windows-based software allows control of synthesizer functions from a PC
  • Externally powered by 6V

Lieferumfang Kit

  • EV-ADF5355SD1Z
  • USB cable

Equipment Needed

  • Windows-based PC with USB port for evaluation software
  • System demonstration platform, serial only (SDP-S) EVAL-SDP-CS1Z controller board Power supply (6V)
  • Spectrum analyzer 50Ω terminators

Evaluation Board Setup

Analog Devices Inc. EV-ADF5355SD1Z Testplatine
Veröffentlichungsdatum: 2016-08-30 | Aktualisiert: 2022-03-11