Analog Devices Inc. EVAL-AD4129-8WARDZ Evaluierungskit
Das Evaluierungskit EVAL-AD4129-8WARDZ von Analog Devices Inc. umfasst den AD4129-8, einen 16-Bit-Analog-Digital Wandler (ADC) mit sehr niedrigem Stromverbrauch und geringem Rauschen. Die EVAL-AD4129-8WARDZ Platine verbindet sich über den USB-Anschluss des PCs, indem es mit dem EVAL-SDP-CK1Z-Motherboard verbunden wird. Regelt eine 5 V USB-Stromversorgung durch den PC auf 3,3 V, um den AD4129-8 zu versorgen und alle erforderlichen Komponenten zu unterstützen.Das AD4129-8 ACE-Plugin konfiguriert den Geräteregister des AD4129-8 vollständig und bietet DC-Zeitbereichsanalysen als Wellendiagramme, Histogramme und damit zugehörige Rauschanalysen für die Evaluierung des ADC-Betriebsverhaltens.
Das EVAL-AD4129-8WARDZ von Analog Devices Inc. ist eine Evaluierungsplatine, die die Funktionen des ADC bewertet. Die ausführbare PC-Software des benutzers steuert den AD4129-8 über die USB-Verbindung über die EVAL-SDP-CK1Z System-Demonstrationsplattform (SDP)-Platine.
Merkmale
- Vollständig bestückte Evaluierungsplatine für den AD4129-8
- PC-Steuerung in Verbindung mit der Systemdemonstrationsplattform (EVAL-SDP-CK1Z) von Analog Devices Inc.
- PC-Software für die Steuerung und die Datenanalyse (Zeitbereich)
- Kann eigenständig betrieben werden
Erforderliche Ausrüstung
- EVAL-AD4129-8WARDZ Evaluierungsplatine
- EVAL-SDP-CK1Z Systemdemonstrationsplattform
- DC-Signalquelle
- USB-Kabel
- PC mit Microsoft Windows mit USB 2.0-Anschluss
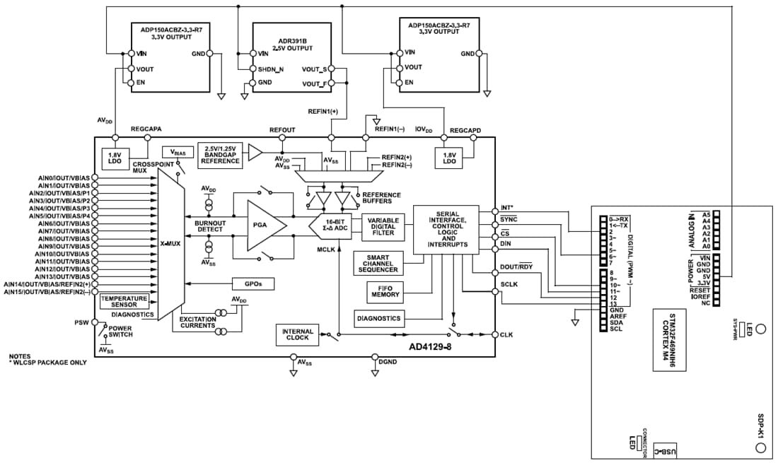
Blockdiagramm
Veröffentlichungsdatum: 2023-11-21
| Aktualisiert: 2023-12-14
