Analog Devices Inc. EVAL-ADA4620-1 Evaluierungsboard

Analog Devices Inc.  EVAL-ADA4620-1 Evaluation Board ist für den ADA4620-1, einen 36 V, Präzisions-JFET-Operationsverstärker im 8-poligen SOIC-Gehäuse konzipiert.  Diese Karte ist mit einem ADA4620-1 Operationsverstärker als Unity-Gain-Follower-Puffer vorkonfiguriert und verfügt über SMA-Anschlüsse für einfache Verbindungen sowohl am Eingang als auch am Ausgang. Dies erleichtert den effizienten Anschluss an die Test- und Messgeräte oder externe Schaltungen.  Die Massefläche, die Platzierung der Komponenten und die Entkopplung der Stromversorgung auf diesem vierlagigen Evaluation Board sind für maximale Flexibilität und Leistung der Schaltung optimiert.  Die Platine EVAL-ADA4620-1 enthält Vorkehrungen für Photodiodenkonfigurationen und Filterdesign.  Dieses Evaluation Board unterstützt verschiedene Anwendungen, darunter aktive Schleifenfilter, Transimpedanzverstärker (TIAs) und Ladungsverstärker, mit unbestückten Pads für individuelle Anpassungen. 

Merkmale

  • Vollständig ausgestattetes Evaluierungsboard für den ADA4620-1, einen 36 V, Präzisions-JFET-Operationsverstärker
  • Vorkehrungen für eine benutzerdefinierte Schaltungskonfiguration
  • Ermöglicht schnelles Prototyping
  • Bereitstellung einer Grundfläche für eine Photodiode zur schnellen Auswertung
  • An der Kante montierte Anschlüsse und Testpunktvorrichtungen

Applikationen

  • Aktive Schleifenfilter
  • Transimpedanzverstärker (TIA)
  • Ladungsverstärker
  • Elektronische Prüfung und Messung
  • Wissenschaftliche und Feldinstrumente
  • Halbleiter-Test

EV-Board-Verbindungen

Analog Devices Inc. EVAL-ADA4620-1 Evaluierungsboard

Übersicht

Analog Devices Inc. EVAL-ADA4620-1 Evaluierungsboard

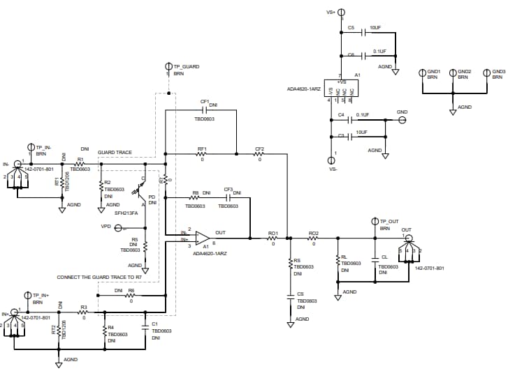
Schematisches Diagramm

Schaltplan - Analog Devices Inc. EVAL-ADA4620-1 Evaluierungsboard
Veröffentlichungsdatum: 2025-01-15 | Aktualisiert: 2025-02-25