Analog Devices Inc. EVAL-ADXL373Z Breakout-Board
Das Analog Devices Inc. EVAL-ADXL373Z Breakout-Board demonstriert die Leistungsfähigkeit des ADXL373 3-Achsen-MEMS-Beschleunigungsmesser (mikroelektromechanisches System, MEMS) mit einem Digitalausgang von ±400 g. Das EVAL-ADCL373Z Board von ADI eignet sich hervorragend für die Evaluierung des ADXL373 in einem bestehenden System, da die Steifigkeit und die kleine Größe des Evaluierungsboards die Auswirkungen des Boards auf sowohl das System als auch die Beschleunigungsmessungen reduziert.Merkmale
- 2 Sätze von Bohrungen in regelmäßigen Abständen für die Bestückung von 6-Pin-Stiftleisten
- Einfache Befestigung an das Prototyping-Board oder die PCB
- Die kleine Größe und die Boardsteifigkeit reduzieren die Auswirkung auf das Benutzersystem und die Beschleunigungsmessungen
Erforderliche Ausrüstung
- Externer Host-Prozessor
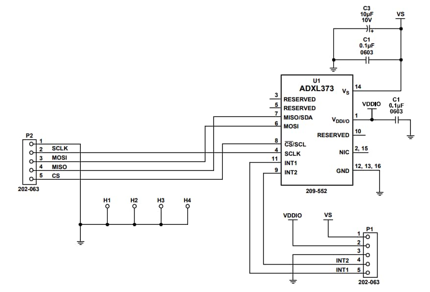
Layout
Schaltplan
Veröffentlichungsdatum: 2021-06-28
| Aktualisiert: 2022-03-11
