Analog Devices Inc. EVAL-KW4501Z KWIK-Demoplatine mit integriertem Rauschen
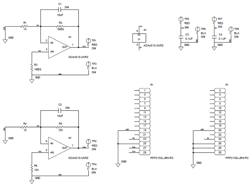
Analog Devices Inc. EVAL-KW4501Z Integrated Noise KWIK Demonstrationsplatinen bewerten und differenzieren das integrierte Rauschen eines 2-Kanal-Operationsverstärkers. Die EVAL-KW4501Z von Analog Devices ist eine Begleitplatine zum integrierten KWIK-Vorlesungs- und Labor-Schulungsmodul. Die Platine ist Teil der KWIK-Demoboard-Produktfamilie, einer Reihe von Anweisungs- und Demonstrations-Evaluierungsplatinen, die direkt in das tragbare ADALM2000 USB-betriebene, softwaredefinierte Prüf- und Messinstrument einsteckbar sind.Der ADA4510-2, der empfohlene IC des EVAL-KW4501Z, ist ein rauscharmer Zweikanal-Rail-to-Rail-Eingangs- und Ausgangs-Operationsverstärker mit niedriger Offsetspannung. Der Operationsverstärker verfügt über einen großen Versorgungsspannungsbereich von 6 V bis 40 V und kann von den ±5 V On-Board-Spannungsversorgungen des ADALM2000 betrieben werden. Der EVAL-KW4501Z verwendet die 8-pin-SOIC-version des ADA4510-2 und eignet sich für andere ICs mit dem gleichen Footprint- und Pin-Konfigurationen.
Merkmale
- Ermöglicht eine schnelle Messung des integrierten Rauschens des Operationsverstärkers
- Eignet sich für andere 8-lead SOIC-Zweikanal-Operationsverstärker mit ähnlichen pin-Konfigurationen wie DUT
- Die Plug-and-Play-Funktion erleichtert die Befestigung am ADALM2000, um schnelle Tests und Messungen im Scopy (begleitende Software von ADALM2000) durchzuführen
Applikationen
- Rauschmessung und -analyse
- Audiosysteme
- Drahtlose Kommunikationssysteme
- Medizinische Messgeräte
- Signalverarbeitung
- Stromversorgungs- und Spannungsregelungssysteme
- Halbleitertests und -Entwicklung
- Unterhaltungselektronik
- Hochpräzise Industrieanlagen
Erforderliche Ausrüstung
- ADALM2000 Aktives Lernmodul
- USB-A-zu-Mikro-USB-Kabel
- Computer
Übersicht
Schaltungskonfiguration für jeden Kanal
Schaltschema
Veröffentlichungsdatum: 2025-02-20
| Aktualisiert: 2025-02-25
