Analog Devices Inc. HMC1096 Frequenz-Multiplizierer
Der HMC1096 von Analog Devices ist ein x2 aktiver Breitband-Frequenzvervielfacher, der mit der GaAs-pHEMT-Technologie entwickelt wurde. Der HMC1096 Frequenzvervielfacher befindet sich in einem belastungsarmen Spritzguss-SMT-Gehäuse ohne Anschlüsse und bietet für Gleichstrom gesperrte E/A. Bei Ansteuerung über ein 0dBm-Signal liefert der Frequenzvervielfacher HMC1096 eine typ. +12 dBm Ausgangsleistung von 3,8 bis 5,6 GHz. Die Fo- und 3-Fo-Isolationen des HMC1096 bieten +22 dBc in Bezug auf den Ausgangssignalpegel. Dieser Frequenzvervielfacher ist ideal für den Einsatz in LO-Multiplikatorketten für Punkt-zu-Punkt- & VSAT-Funkgeräte.Merkmale
- 12dBm output power
- -2 to +5dBm input power drive
- +22dBc Fo, 3 Fo isolation
- +5V @ 100mA single supply
- 16-lead 3mm x 3mm SMT package
- 1.9GHz to 2.8GHz input frequency range
- 3.8GHz to 5.6GHz output frequency range
- 12dB input return loss
- 8dB output return loss
Applikationen
- Point-to-point and VSAT radios
- Test instrumentation
- Military and space
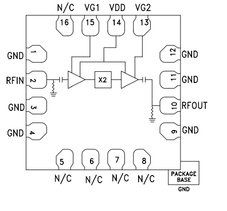
Functional Diagram
Veröffentlichungsdatum: 2017-01-11
| Aktualisiert: 2022-03-11
