Analog Devices Inc. HMC3716 HBT-Digitalphasen-Frequenzdetektoren
Die HMC3716 HHBT-Digitalphasen-Frequenzdetektoren von Analog Devices werden von 10 bis 1300 MHz betrieben und sind für Synthesizer mit niedrigem Phasenrauschen ausgelegt. HMC371 Detektoren bieten einen Hochfrequenzbetrieb und ein extrem niedriges Phasenrauschen von -153dBc/Hz bei 10kHz Offset bei 100MHz. Diese Leistungsmerkmale ermöglichen Synthesizer mit breiter Schleifenbandbreite und niedriger N, ein schnelles Schalten und sehr geringes Phasenrauschen zu bieten. Bei der Verwendung mit einem Differenzial-Schleifenverstärker, erzeugt der HMC3716LP4E Ausgangsspannungen, die Entwickler verwenden können, um eine Phasensperre an einem VCO zu einem Referenzoszillator zu verwenden. Der HMC3716 befindet sich in einem 24-poligen, 4 x 4mm großen bleifreien QFN-Gehäuse zur Oberflächenmontage mit einem freiliegenden Erdungs-Paddle zur Verbesserung der HF- und Wärmeleistung. Die HMC3716 HBT-Digitalphasen-Frequenzdetektoren eignen sich hervorragend für Punkt-zu-Punkt-Funkgeräte, Satellitenkommunikationssysteme, militärische Anwendungen und Sonetaktgenerierung.HMC3716 is housed in a 24-pin, 4mm x 4mm leadless QFN surface-mount package with an exposed ground paddle to improve RF and thermal performance.
Merkmale
- Ultra-low SSB Phase Noise Floor
- -153dBc/Hz @ 10kHz offset @ 100MHz
- Integrated Output Resistors
- Improved Input Sensitivity
- Lock Detect and Invert Functionality
- 24-Pin 4 x 4mm SMT Package
Applikationen
- Point-to-Point Radios
- Satellite Communication Systems
- Military Applications
- Sonet Clock Generation
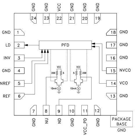
Functional Block Diagram
Veröffentlichungsdatum: 2016-09-30
| Aktualisiert: 2022-03-11
