Analog Devices Inc. Der HMC7586 I/Q-Abwärtswandler
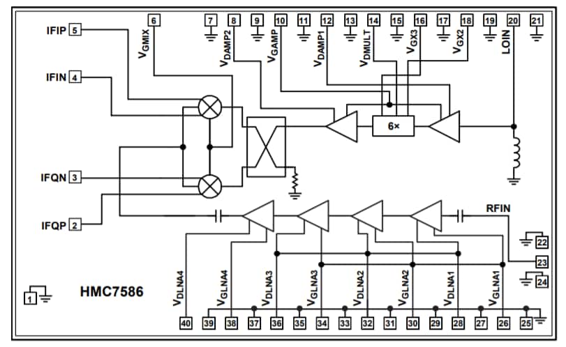
Analog Devices HMC7586 I/Q-Abwärtswandler ist ein integrierter E-Band GaAs-MMIC-I/Q-(In-Phase/Quadrature)-Abwärtswandler-Chip. Der HMC7586 Abwärtswandler arbeitet in einem Frequenzband von 71 GHz bis 76 GHz und bietet eine Kleinsignal-Wandlungsverstärkung von 12,5 dB (Typ.). Dieses Bauteil nutzt einen rauscharmen Verstärker gefolgt von einem Spiegelfrequenzunterdrückungsmischer, der von einem 6 x LO-Multiplikator angesteuert wird. Die HMC7586 Abwärtswandler verfügen über differentielle I- und Q-Mischerausgänge, die für direkte Umwandlungen ausgelegt sind.Merkmale
- Conversion gain is 12.5dB (typical)
- Image rejection is 28dBc (typical)
- Noise figure is 5dB (typical)
- Input power for 1dB compression (P1dB) is -9dBm (typical)
- Input third-order intercept (IP3) is -1dBm (typical)
- Input second-order intercept (IP2) is 20dBm (typical)
- 6 x Local Oscillator (LO) leakage at RFIN is -40dBm (typical)
- 1 x LO leakage at IFOUT is -50dBm (typical)
- Radio Frequency (RF) return loss is 5dB (typical)
- LO return loss is 20dB (typical)
- Die size is 3.599mm x 2.199mm x 0.05mm
Applikationen
- E-band communication systems
- High capacity wireless backhauls
- Test and measurement
Functional Block Diagram
Veröffentlichungsdatum: 2016-10-11
| Aktualisiert: 2022-03-11
