Analog Devices Inc. HMC8362/HMC8364 Rauscharme Quadband-VCOs
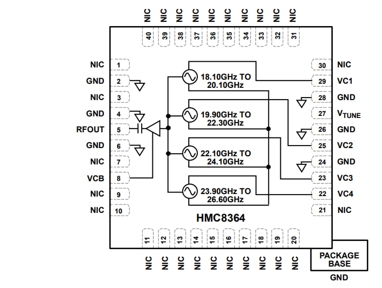
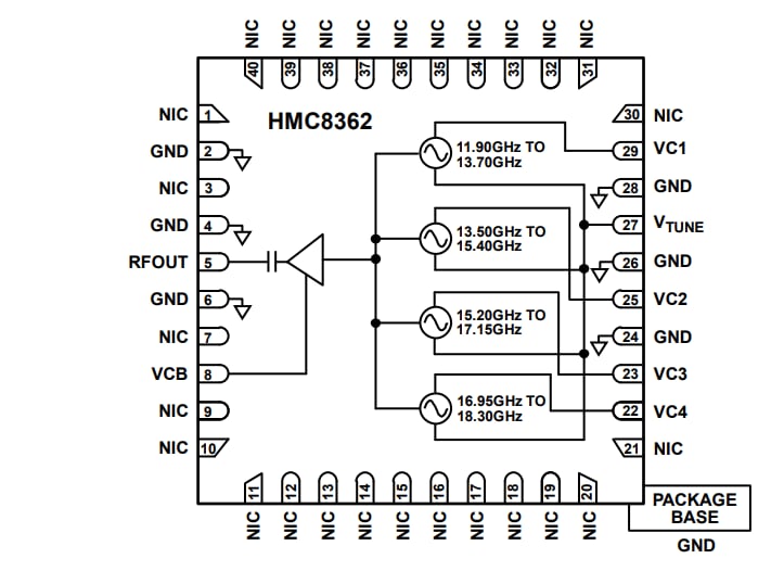
Analog Devices Inc. HMC8362/HMC8364 Rauscharme spannungsgesteuerte Quadband-Oszillatoren (VCOs) sind zur Bereitstellung von Breitbandfunktionen ohne Auswirkungen auf das Rauschverhalten ausgelegt. Die HMC8362/HMC8364 VCOs integrieren vier unabhängige Schmalband-VCOs mit überlappenden Frequenzbändern, die in einem Grundfrequenzbereich von 11,90 GHz bis 18,30 GHz (HMC8362) oder 18,10 GHz bis 26,60 GHz (HMC8364) betrieben werden. Die konsistente Abstimmungsempfindlichkeit über alle Frequenzbänder vereinfacht das Synthesizer-Schleifenfilter-Design.Der Abstimmungs-Anschluss ist in allen VCO-Cores für ein einfacheres Design des Phasenregelschleifen(PLL)-Rückkopplungspfads verfügbar. Darüber hinaus bietet der HMC8364 einen geringen typischen Stromverbrauch von 99 mA für leistungsempfindliche Applikationen. Im Vergleich dazu bietet der HMC8362 einen geringen typischen Stromverbrauch von 72 mA für leistungsempfindliche Applikationen.
Die HMC8362/HMC8364 VCOs von ADI integrieren Resonatoren, negative Widerstandsbauteile und Kapazitätsdioden. Der monolithische Aufbau des Oszillators ermöglicht ein sehr niedriges Phasenrauschen, eine optimale Temperaturstabilität und ist immun gegen Vibrationen und Prozessschwankungen.
Die HMC836x VCOs sind in einem Einzel-Chip-Scale-Gehäuse (LFCSP) zur Oberflächenmontage von 6 mm × 6 mm untergebracht und erfordern keine entsprechenden externen Komponenten.
Merkmale
- Satz von 4 Schmalband-VCOs mit konstanter Empfindlichkeit gegenüber Frequenz
- HF- und Abstimmungsanschlüsse, die allen 4 VCOs gemeinsam sind
- Der HF-Ausgang wird von grundlegenden Oszillatoren ohne subharmonische Oszillationen betrieben
- HF-Ausgangsleistung von bis zu 4 dBm
- Leistungsstummschaltung
- Kein externer Resonator erforderlich
- 40-Pin-LFCSP-Gehäuse von 6 mm x 6 mm
Applikationen
- Elektronische Prüf- und Messsysteme
- Industrie- und medizinische Messgeräte
- Punkt-zu-Punkt- und Mehrpunkt-Funkgeräte
- Luft-/Raumfahrt und Verteidigung
- Drahtlose Kommunikationsinfrastruktur
Weitere Ressourcen
HMC8362 Blockdiagramm
HMC8364 Blockdiagramm
Typische Applikation – Diagramm
