Analog Devices Inc. HMC952ALP5GE HF-Verstärker
Der HMC952ALP5GE von Analog Devices ist als vierstufiger GaAs-pHEMT-MMIC-Leistungsverstärker mit mittlerer Leistung ausgelegt. Der HMC952ALP5GE Verstärker verfügt über einen temperaturkompensierten On-Chip-Leistungsdetektor, der von 8-14 GHz arbeitet. Die HF-Eingänge und -Ausgänge des HMC952ALP5GE sind intern auf 50 Ω angepasst. Der HMC952ALP5GE Verstärker, der mit einer +6V-Versorgung arbeitet, bietet eine hohe Verstärkung von 32 dB und eine gesättigte Ausgangsleistung von +34,5 dBm bei 26 % PAE. Mit bis zu +43 dBm IP3 eignet sich der HMC952ALP5GE hervorragend für lineare Applikationen wie Punkt-zu-Punkt- und Punkt-zu-Mehrpunkt-Funkübertragung oder SATCom-Applikationen, die eine effiziente gesättigte Ausgangsleistung von +34,5 dBm benötigen.Merkmale
- +35 dBm psat @ 26% PAe
- High P1dB output power: +34dBm
- High Gain: 32dB
- High output IP3: +43dBm
- Supply voltage: Vdd = +6V @ 1400mA
- 50Ω matched input/output
Applikationen
- Point-to-point radios
- Point-to-multipoint radios
- SATCOM
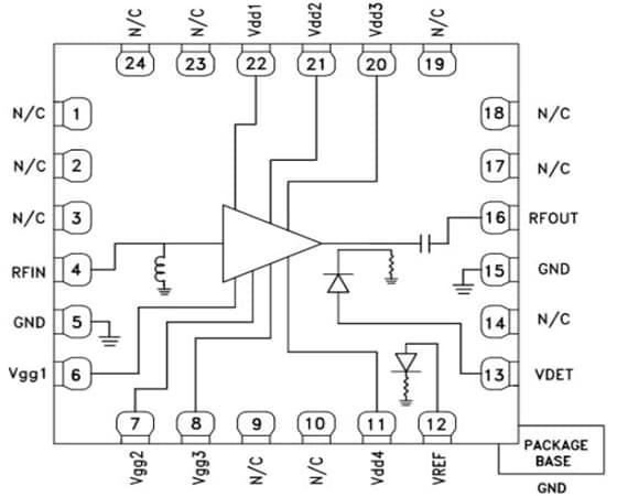
Block Diagram
Veröffentlichungsdatum: 2016-12-02
| Aktualisiert: 2022-03-11
