Analog Devices Inc. HMC985A GaAs-Dämpfer mit variabler Spannung
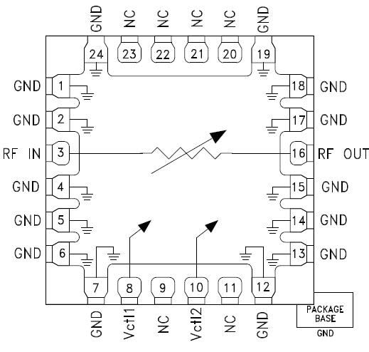
Die Dämpfer HMC985A von Analog Devices sind absorbierende spannungsvariable GaAs-MMIC-Dämpfer (VVA), die mit 10 GHz–50GHz betrieben werden können. Die Dämpfer eignen sich ideal für Applikationen, bei denen ein analoges DC-Steuersignal zur Steuerung von HF-Signalpegeln mit einem Dynamikbereich über 35 dB bis 40 dB verwendet wird. Der HMC985A umfasst zwei Querwiderstands-Dämpfer, die von zwei Analogspannungen Vctl1 und Vctl2 gesteuert werden. Durch die Einstellung des Vctl1 der ersten Dämpfungsstufe von -5 V bis 0 V mit Vctl2 bei -5 V gleichbleibend wird eine hervorragende Linearitätsleistung bei +32 dB Eingangs-IP3 erreicht. Durch das Anschließen der Vctrl1- und Vctrl2-Pins können die Dämpfer den vollen analogen Dämpfungsbereich mit nur einer geringen Verschlechterung der Eingangs-IP3-Leistung liefern.Merkmale
- Wide Bandwidth
- 10GHz to 40GHz (HMC985ALP4KE)
- 20GHz to 50GHz (HMC985A)
- +32dB input IP3 linearity
- 35dB attenuation range
- No external matching
- Package Size
- 24-lead 4mm x 4mm SMT package
- 2.78mm x 1.41mm x 0.1mm (HMC985A) die size
Applikationen
- Point-to-point radio
- VSAT radio
- Test instrumentation
- Microwave sensors
- Military, ECM, and radar
Functional Block Diagram
Veröffentlichungsdatum: 2017-07-12
| Aktualisiert: 2022-04-18
