Analog Devices Inc. LT1785 RS485-/RS422-Transceiver mit Fehlerschutz
Analog Devices Inc. LT1785 RS485-/RS422-Transceiver sind Halbduplex- und Vollduplex-Differential-Bus-Transceiver.Die Bauteile eignen sich hervorragend für Applikationen, die über einen On-Chip-Schutz gegen Überspannungsfehler auf den Datenübertragungsleitungen verfügen. Empfängereingangs- und Treiberausgangs-Pins widerstehen ohne Beschädigung des Bauteils Spannungsfehler von bis zu ±60 V gegen Erde. Störungen können auftreten, während der Transceiver aktiv ist, heruntergefahren oder abgeschaltet wird.Unterstützt werden Datenraten von bis zu 250 kbaud in Netzwerken von bis zu 128 Knoten. Gesteuerte Anstiegsraten auf den Treiberausgangs-Steuer-EMI-Emissionen und verbesserte Datenübertragungsqualität auf falsch angeschlossenen Leitungen. Treiber sind für den Betrieb mit kostengünstigen Kabeln mit einer Wellenimpedanz so niedrig wie 72 Ω spezifiziert.
Merkmale
- Schutz vor Überspannungsleitungsfehlern von bis zu ±60 V
- Pin-kompatibel mit LTC485 und LTC491
- Hohe Eingangsimpedanz unterstützt bis zu 128 Knoten
- Ohne Beschädigung oder Latch-Up zu ESD
- IEC-1000-4-2 Stufe 4: ±15 kV Luftentladung
- IEC-1000-4-2 Stufe 2: ±4 kV Kontaktentladung
- Gesteuerte Anstiegsraten für EMI-Emissionensteuerung
- Garantierter hoher Empfängerausgangszustand für schwebende, kurzgeschlossene oder inaktive Eingänge
- Ausgänge nehmen eine hohe Impedanz ein, wenn sie ausgeschaltet oder heruntergefahren sind
- Steuert kostengünstige Kabel mit niedriger Impedanz an
- Kurzschlussschutz an allen Ausgängen
- Übertemperaturschutz
- Garantierter Betrieb bis 125 °C
Applikationen
- Industrie-Steuerungsdatennetzwerke
- CAN-Bus-Applikationen
- HLK-Steuerungen
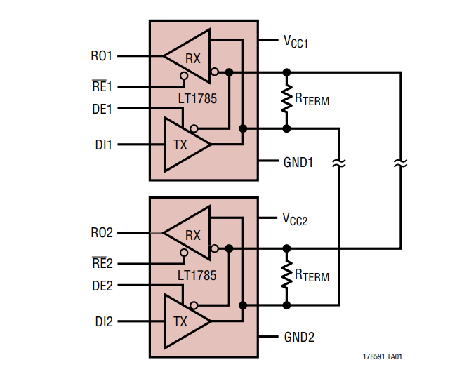
Typische Applikations-Schaltung
Veröffentlichungsdatum: 2019-06-10
| Aktualisiert: 2024-02-19
