Analog Devices Inc. LT1999 Bidirektionaler Strommessverstärker
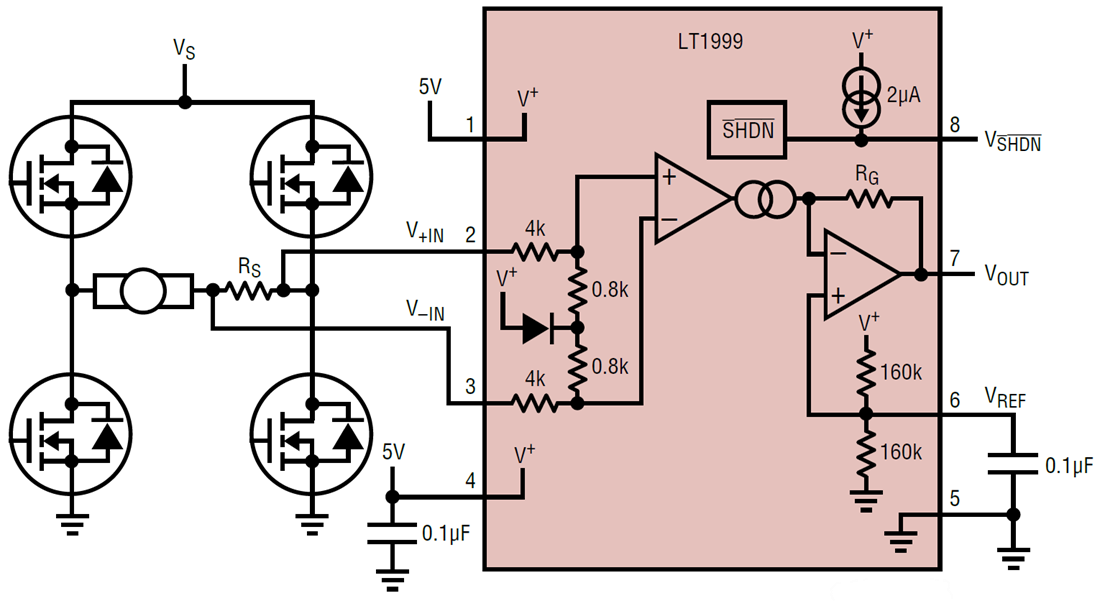
Der Analog Devices LT1999 bidirektionale Strommessverstärker ist zur Überwachung von bidirektionalen Strömen über einen großen Gleichtaktbereich ausgelegt. Das Bauteil wird in drei Gain-Optionen (10 V/V, 20 V/V und 50 V/V) angeboten. Der LT1999 misst den Strom über einen externen resistiven Nebenwiderstand und erzeugt eine Ausgangsspannung, die sowohl die Stärke als auch die Richtung des gemessenen Stroms anzeigt. Die Ausgangsspannung wird zwischen der Versorgungsspannung und der Masse auf die Hälfte bezogen oder eine externe Spannung kann verwendet werden, um den Referenzpegel einzustellen. Mit einer Bandbreite von 2 MHz und einem Gleichtakt-Eingangsbereich von -5 V bis 80 V eignet sich der LT1999 für die Überwachung von Strömen in H-Brücken-Motorsteuerungen, Schaltnetzteilen, Magnetströmen und Batterieladeströmen von der vollen Ladung bis zur Entladung.Merkmale
- Gepufferter Ausgang mit 3 Gain-Optionen: 10 V/V, 20 V/V, 50 V/V
- Gain-Genauigkeit: 0,5 % (max.)
- Gleichtakt-Eingangsspannungsbereich: -5 V bis 80 V
- AC-CMRR >80 dB bei 100 kHz
- Eingangs-Offset-Spannung: 1,5 mV (max.)
- -3-dB-Bandbreite: 2 MHz
- Reibungsloser, kontinuierlicher Betrieb über einen gesamten Gleichtaktbereich
- 4 kV HBM-tolerant und 1 kV CDM-tolerant
- Stromsparende Abschaltung: <10 µA
- Betriebstemperaturbereich: -55 °C bis +150 °C
- 8-Pin-MSOP- und 8-Pin-SO-Gehäuse (schmal)
- 8-Pin-MSOP-Pinbelegungsoption für FMEA
- AEC-Q101-qualifiziert für Fahrzeuganwendungen
Applikationen
- High-Side- oder Low-Side-Stromsensoren
- H-Brücken-Motorsteuerung
- Magnetstrommessung
- Hochspannungs-Datenerfassung
- PWM-Regelkreise
- Sicherung-/MOSFET-Überwachung
Typische Applikation
Veröffentlichungsdatum: 2019-11-12
| Aktualisiert: 2024-03-06
