Analog Devices Inc. LT5401 Abgestimmtes Widerstandsnetzwerk
Das Analog Devices LT5401 abgestimmte Widerstandsnetzwerk ist für den Einsatz mit vollständig differenziellen oder Differenzverstärkern optimiert. Das abgestimmte Widerstandsnetzwerk bietet hervorragende Anpassungsspezifikationen über den gesamten Temperaturbereich. Das LT5401 enthält zwei Ketten von abgestimmten Widerständen, die jeweils drei Tap-Punkte bieten. Die daraus resultierenden abgestimmten Verhältnisse eignen sich hervorragend für die präzise Einstellung der Gain oder Dämpfung eines Differentialverstärkers.Das LT5401 abgestimmte Widerstandsnetzwerk kann durch das Abstimmungsverhältnis zur Konfiguration der differentiellen oder Differenz-Gain verwendet werden und sorgt für ein hohes CMRR, geringe Gain-Fehler und eine niedrige Gain-Drift zu Pegeln, die mit diskreten passiven Bauelementen viel zu schwer zu erreichen sind. Diese hohe Präzision reduziert die Kalibrierungsanforderungen in vielen Applikationen und bietet eine 10-mal höhere Leistung als eine diskrete Lösung von ±0,01 %.
Das LT5401 ist in einem kompakten 10-Pin-MSOP-Gehäuse mit einem freiliegenden Pad verfügbar. Dadurch wird eine verbesserte thermische Leistungsfähigkeit über einen Temperaturbereich von -55 °C bis +150 °C ausgelegt.
Merkmale
- Für den Einsatz mit vollständig differenziellen und Differenzverstärkern ausgelegt
- Hervorragende Abstimmung
- Abstimmung des Widerstandsverhältnisses: ±0,003 % (max.)
- CMRR: 96,5 dB (min.)
- Gain-Fehler: ±25 ppm (max.)
- Abstimmung der Temperaturdrift: ±0,5 ppm/°C (max.)
- Absoluter Widerstandswert der Temperaturdrift: 8 ppm/°C
- Betriebsspannung: 35 V (±36 V absolutes Maximum)
- Langfristige Stabilität: <8 ppm bei 6.500 Stunden
- ESD-geschützte Eingänge
- Betriebstemperatur: -55 °C bis +150 °C
- 10-Pin-MSOP-Gehäuse
Applikationen
- Vollständig differenzielle Verstärker
- Differenzverstärker
- Referenzteiler
- Genaue Summierung/Subtraktion
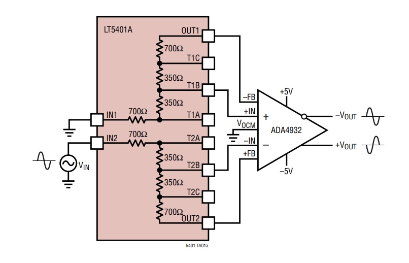
Typische Applikation
Veröffentlichungsdatum: 2019-12-02
| Aktualisiert: 2024-02-28
