Analog Devices Inc. LT6372-0.2/1 Messverstärker

Die LT6372-0.2/1 Messverstärker von Analog Devices Inc. sind Gain-programmierbare und hochpräzise Trichter-Bauteile mit Pegelverschiebung und Ausgangsklemmung. Diese hochpräzisen Verstärker ermöglichen die Erkennung kleinerer Signale und erleichtern die Kalibrierung, insbesondere über Temperatur. Die LT6372-0.2/1 Verstärker enthalten Funktionen im LT6370, welche die Genauigkeit weiter verbessern und die Verbindung mit einem ADC vereinfachen. Diese Messverstärker verwenden ein proprietäres Hochleistungs-Bipolar-Verfahren, das branchenführende Genauigkeit bei außergewöhnlicher Langzeitstabilität ermöglicht. Die LT6372-0.2/1 Verstärker sind für eine sehr niedrige Eingangs-Offset-Spannung (60 µV) und einen hohen CMRR (80 dB, G = 0,2) lasergetrimmt.

Die LT6372-0.2/1 Messverstärker verfügen über einen integrierten Eingangs-RFI-Filter, Ausgangsklemmen und eine Ausgangspegelverschiebung. Diese Ausgangsklemmen-Pins begrenzen die Spannung, die am Eingang eines ADC angelegt werden kann. In den Eingängen des LT6370-0.2/1 ist eine EMI-Filterung integriert, um die Genauigkeit auch bei starken HF-Störungen zu gewährleisten.

Die LT6372-0.2/1 Messverstärker sind in einem kompakten MS16E- und einem 20-Pin-QFN-Gehäuse von 3 mm x 4 mm verfügbar. Diese Messverstärker sind für die Temperaturbereiche von -40 °C bis 85 °C und -40 °C bis 125 °C vollständig spezifiziert. Zu den typischen Applikationen gehören Brückenverstärker, Datenerfassung, Thermoelement-Verstärker, Dehnungsmessverstärker, medizinische Messgeräte und Transducer-Schnittstellen.

Merkmale

  • Gain-Einstellung mit Einzelwiderstand: G = 0,2 bis > 200
  • Hervorragende DC-Präzision:
    • Maximale Eingangs-Offset-Spannung: 60 µV
    • Maximale Eingangs-Offset-Spannungs-Drift: 0,6 µV/°C 
    • Niedriger Gain-Fehler: max. 0,012 % (G = 0,2)
    • Niedrige Gain-Drift: max. 35 ppm/°C (G > 0,2) 
    • Hohes DC-Gleichtaktunterdrückungsverhältnis (CMRR): min. 80 dB (G = 0,2)
  • Integrierte Ausgangsklemmen
  • Integrierte Ausgangspegelverschiebung
  • Maximaler Eingangs-Bias-Strom: 800 pA
  • -3-dB-Bandbreite: 4 MHz (G = 0,2)
  • Rauscharm:
    • 0,1 Hz bis 10 Hz Rauschen: 0,2 μVP-P
    • 1 kHz Spannungsrauschen: 7 nV/√Hz
  • Integrierter Eingangs-Funkfrequenz-Störungsfilter (RFI)
  • Großer Versorgungsbereich: 4,75 V bis 35 V 
  • Temperaturbereiche: -40 °C bis +85 °C und -40 °C bis +125 °C
  • MS16E- und 20-Pin-QFN-Gehäuse von 3 mm x 4 mm

Applikationen

  • Brückenverstärker
  • Datenerfassung
  • Thermoelement-Verstärker
  • Dehnungsmessverstärker
  • Medizinische Messgeräte
  • Transducer-Schnittstellen
  • Differenzielle zu einendige Umwandlung

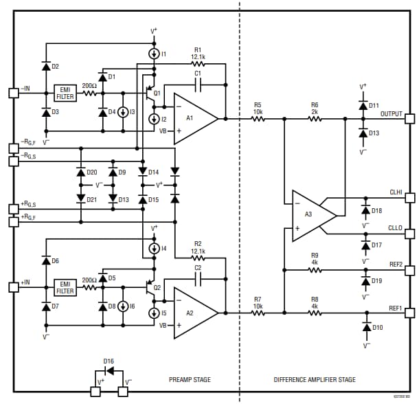
Blockdiagramm

Blockdiagramm - Analog Devices Inc. LT6372-0.2/1 Messverstärker

Applikations-Schaltung

Applikations-Schaltungsdiagramm - Analog Devices Inc. LT6372-0.2/1 Messverstärker
Veröffentlichungsdatum: 2021-01-12 | Aktualisiert: 2022-03-11