Analog Devices Inc. LT6376 Spannungs-Differenzverstärker
Die LT6376 Spannungs-Differenzverstärker von Linear Technology/Analog Devices sind Differenzverstärker mit einer Verstärkung um den Faktor 10, die eine DC-Präzision, einen großen Gleichtaktbereichseingang und einen großen Versorgungsspannungsbereich kombinieren. Diese Verstärker umfassen einen Präzisions-Operationsverstärker mit Over-the-Top®-geschützten Eingängen, die einen robusten Betrieb in Umgebungen mit unvorhersehbaren Bedingungen gewährleisten. Die LT6376 Verstärker verfügen über ein gutes Gleichtaktunterdrückungsverhältnis (CMRR) einen geringen Gain-Fehler, einen präzise abgestimmten Dünnschichtwiderstand und einen niedrigen Verstärkungsdrift. Zu den typischen Applikationen gehören High-Side- oder Low-Side-Stromsensoren, präzise Differenzverstärker, Ersatz für Trennschaltungen und Hoch-zu-Niederspannungspegelumsetzung.Merkmale
- ±230 V Gleichtaktspannungseingang
- CMRR von mind. 90 dB
- Gain-Fehler von max. 0,0075 % (75 ppm)
- Eingangs-Offset-Spannung von max. 200 µV
- Gain-Fehlerdrift von max. 1 ppm/°C
- Verstärkungs-Nichtlinearität von max. 2 ppm
- Großer Versorgungsspannungsbereich von 3,3 V bis 50 V
- Spezifizierter Temperaturbereich von -40 °C bis 125 °C
- Rail-to-Rail-Ausgang
- 350 µA Versorgungsstrom
- Wählbares Teilerverhältnis für internen Widerstand
- Eingangs-bezogenes Rauschen von 105 nV/√Hz (Widerstandsteiler = 3,1)
- Bandbreite von 300 kHz und -3 dB (Widerstandsteiler = 3,1)
- Bandbreite von 160 kHz und -3 dB (Widerstandsteiler = 10,3)
- Abschaltung bei geringer Leistung von 20 μA (nur DFN-Gehäuse)
- Platzsparende MSOP- und DFN-Gehäuse
Applikationen
- Präzisionsdifferenzverstärker
- Bidirektionale Stromsensoren mit großem Gleichtaktbereich
- High-Side- oder Low-Side-Stromsensoren
- Ersatz für Isolierungs-Schaltungen
- Hoch-zu-Niederspannungspegelumsetzung
Typische Applikations-Schaltung
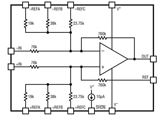
Blockdiagramm
Veröffentlichungsdatum: 2018-10-04
| Aktualisiert: 2023-03-02
