Analog Devices Inc. LT8292 4-Schalter-Synchron-Buck-Boost-Steuerungen
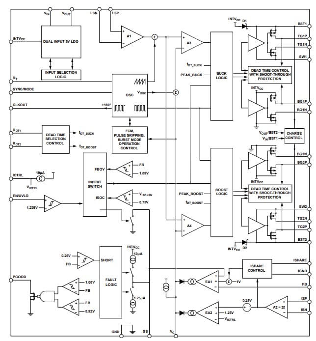
Analog Devices Inc. LT8292 4-Switch Synchronous Buck-Boost Controller regeln den Ausgangs- oder Eingangsstrom ab einer Eingangsspannung, die unter, über oder gleich der Ausgangsspannung liegt. Diese Controller enthalten eine proprietäre Buck-Boost-Spitzenstrommodus-Architektur, die einen einstellbaren und phasenverriegelbaren 100 kHz zu 650 kHz Festfrequenzbetrieb ermöglicht. Die Architektur des Spitzenstrommodus ermöglicht außerdem einen internen Spread-Spectrum-Betrieb für geringe elektromagnetische Interferenzen (EMI). Die LT8292 Controller verfügen über geteilte Pull-up/Pull-down-Gate-Treiber, Leaderless Current Sharing und vier wählbare Totzeiteinstellungen mit Shoot-Through-Schutz. Diese Controller sind für den Einsatz in der Automobilindustrie qualifiziert und werden in Telekommunikationssystemen, batteriebetriebenen Systemen mit hoher Leistung und allgemeinen Abwärtswandler-Stromversorgungen verwendet.Merkmale
- 4-Schalter-Einzelinduktor-Architektur ermöglicht VIN über, unter oder gleich VOUT
- Proprietärer Buck-Boost-Spitzenstrommodus
- 30 µA IQ Burst-Modus mit geringer Welligkeit
- 1V≤VOUT≤60V ±2 % Genauigkeit der Ausgangsspannung
- 100 kHz zu 650 kHz einstellbar und phasenverriegelbar
- Erzwungener Dauerbetrieb oder Puls-Skipping-Betrieb
- ±5 % Genauigkeit des durchschnittlichen Eingangs- oder Ausgangsstroms
- Split-Gate-Treiber-Ausgänge
- Wählbare Totzeiteinstellungen
- Leaderlose Stromteilung
- Spreizspektrum-Frequenzmodulation
- Integrierte Bootstrap-Dioden
- VOUT während des Abschaltens von VIN abgekoppelt
- 38-Lead Thin Shrink Small Outline Package (TSSOP) mit freiliegendem Pad
- Für Automobilapplikationen qualifiziert
Applikationen
- Automobil-, Industrie- und Telekommunikationssysteme
- Universelle Buck-Boost-Netzteile
- Batteriebetriebene Systeme mit hoher Leistung
Blockdiagramm
Schaltplan für typische Anwendungen
Veröffentlichungsdatum: 2025-01-28
| Aktualisiert: 2025-03-12
