Analog Devices Inc. LT8386 Synchroner LED-Aufwärtstreiber

Der Analog Devices LT8386 synchrone LED-Aufwärtstreiber ist ein monolithischer DC/DC-Aufwärtswandler, der eine Festfrequenz- und Spitzenstromsteuerung nutzt. Das Bauteil bietet eine PWM-Verdunkelung für eine Kette von LEDs. Der LED-Strom wird durch eine analoge Spannung oder das Tastverhältnis von Impulsen am CTRL-Pin programmiert. Der LT8386 wird eine Stromregelung von 2 % über einen externen Messwiderstand über eine große Auswahl von Ausgangsspannungen aufrecht erhalten.

Der LT8386 verfügt über eine Silent Switcher®-Technologie, die zur Reduzierung von EMI-/EMV-Emissionen mit hohem Wirkungsgrad ausgelegt ist. Die Schaltfrequenz ist von 200 kHz bis 2 MHz über einen externen Widerstand am RT-Pin oder einen externen Taktgeber am SYNC-/SPRD-Pin programmierbar. Wenn die optionale Frequenzspreizungsmodulation aktiviert ist, variiert die Frequenz von 100 % bis 125 %, um die EMI zu reduzieren.

Der LT8386 von Analog Devices enthält einen Treiber für einen externen High-Side-PMOS für die PWM-Verdunkelung. Der mit 60 V eingestufte LT8386 ist mit dem LT3922 und LT3922-1 Pin-zu-Pin-kompatibel.

Merkmale

  • LED-Stromregelung von 2 %
  • Ausgangsspannungsregelung von 2,5 %
  • 5000:1-PWM-Verdunkelung bei 100 Hz
  • Interne 512:1-PWM-Verdunkelung
  • Frequenzspreizungsmodulation
  • Silent Switcher-Architektur für extrem niedrige EMI
  • Wird im Aufwärts-, Abwärts- und Abwärts-Aufwärts-Modus betrieben
  • Eingangsspannungsbereich: 4 V bis 56 V
  • Bis 52 V LED-Ketten-Spannung
  • Adaptive Spitzenschaltstrombegrenzung von bis zu 5 A für niedrige VIN
  • 200 kHz bis 2 MHz mit SYNC-Funktion
  • Analoge oder Tastverhältnis-LED-Stromsteuerung
  • Schutz gegen offene LEDs und Kurzschluss mit Fehleranzeige
  • 28-Pin-LQFN-Gehäuse von 4 mm × 5 mm
  • AEC-Q100-qualifiziert für Fahrzeuganwendungen

Applikationen

  • Automotive- und Industriebeleuchtung
  • Frontscheibenanzeige (Head-Up-Display, HUD)/Machine Vision

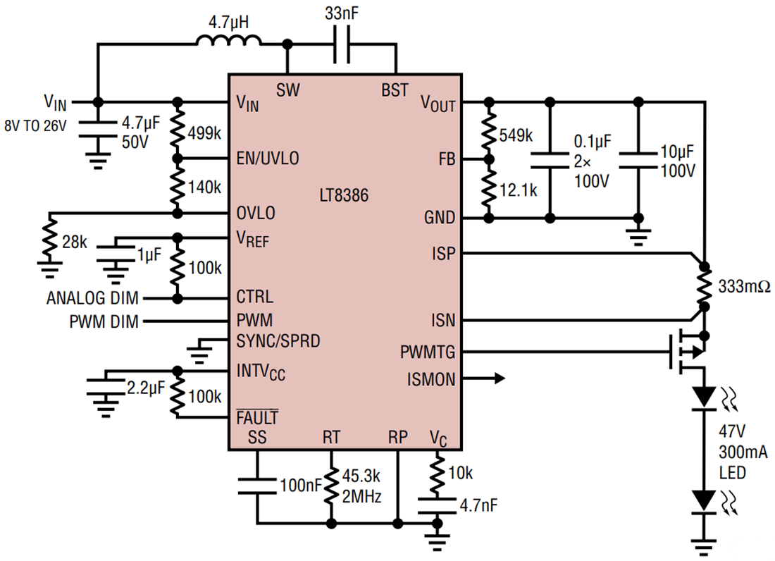
Typische Applikation

Applikations-Schaltungsdiagramm - Analog Devices Inc. LT8386 Synchroner LED-Aufwärtstreiber
Veröffentlichungsdatum: 2021-07-09 | Aktualisiert: 2022-03-11