Analog Devices Inc. LT8551 Mehrphasen-Expander
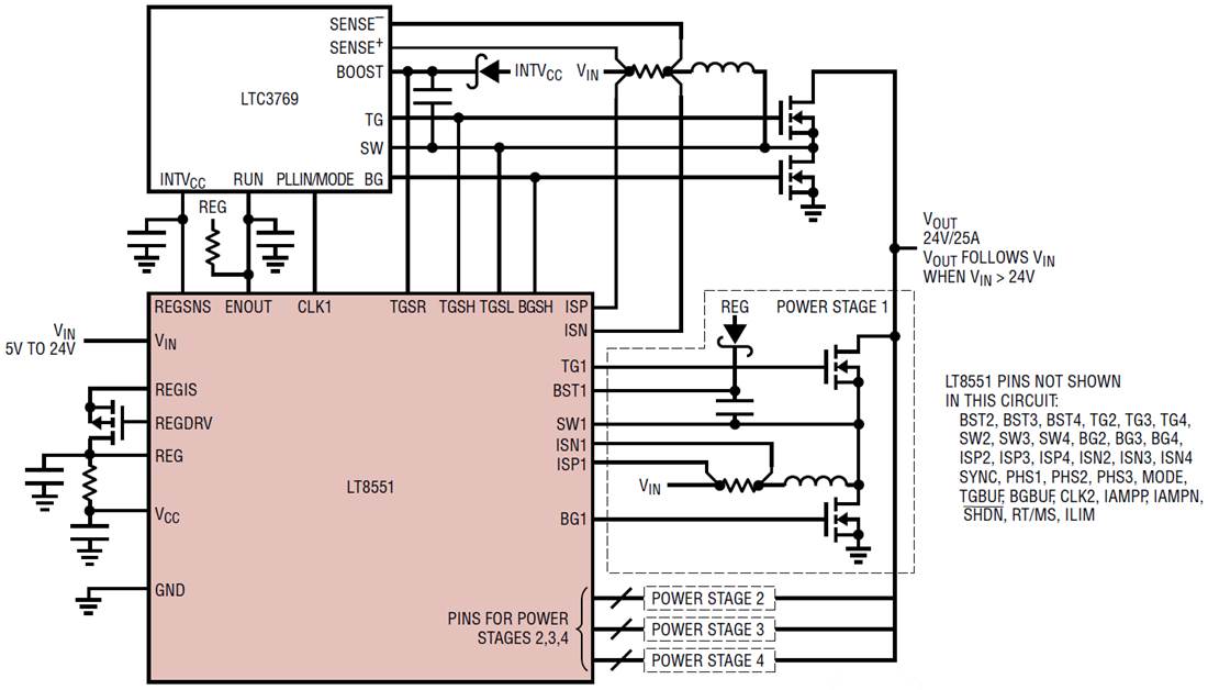
Der Analog Devices LT8551 Mehrphasen-Expander ist ein Mehrphasen-Expander für synchrone DC/DC-Aufwärtswandler. Der LT8551 wird zusammen mit einem beliebigen synchronen DC/DC-Aufwärtswandler durch Hinzufügen von zusätzlichen Phasen zur Erhöhung der Laststromleistung betrieben. Diese Phasen werden außerhalb der Phase zur Reduktion der Stromwelligkeit und Filterkapazität getaktet. Das Bauteil kann Phasen einfach hinzufügen, ohne dass ein Routing von empfindlichen Rückkopplungs- und Steuersignalen erforderlich ist. Der LT8551 enthält einen 5-V-Gate-Treiber und kann bis zu vier Abwärtsphasen pro Bauteil unterstützen. Mehrere LT8551 Bauteile können für bis zu 18 Phasen verwendet werden. Das Bauteil führt eine genaue Überwachung und Anpassung des Stroms aller Kanäle durch, um eine ausgezeichnete DC- und Einschwingstromverteilung zu erzielen. Der LT8551 wird über eine Festfrequenz von 100 kHz bis 1 MHz betrieben und kann zu einem externen Taktgeber synchronisiert werden.Merkmale
- Erweitert auf bis zu 4 Phasen pro Chip
- Eingangs- oder Ausgangsspannung von bis zu 80 V
- Kaskadiert mit mehreren Chips für Hochstrom-Applikationen
- Unterstützt bis zu 18 verschiedene Phasen von 20° bis 180°
- Phasen können den Phasenwinkel teilen
- Ausgezeichnete DC- und Einschwingstromverteilung
- Phasen-verschließbare Festfrequenz von 125 kHz bis 1 MHz
- Unterstützt den bidirektionalen Stromfluss
- RSENSE- oder DCR-Strommessung
- Beseitigt die Notwendigkeit des Routing von empfindlichen Rückkopplungs- und Steuersignalen
- 52-Pin-QFN-Gehäuse (7 mm × 8 mm)
Applikationen
- Hochstromverteilungssysteme
- Telekommunikations-, Datenkommunikations- und Speichersysteme
- Industrieapplikationen und Fahrzeuganwendungen
Typische Applikation
Weitere Ressourcen
Multiplizieren Sie die Leistung eines Aufwärtswandlers mit einem vielseitigen Phasen-Expander
Der LT8551 Phasen-Expander bietet Designern von Netzteilen ein flexibles Tool zum Erstellen von Hochleistungs-Aufwärtswandlern mit hohem Wirkungsgrad durch Erweiterung der Schaltphasen, bis die gewünschte Leistungsgrenze erreicht ist.
Veröffentlichungsdatum: 2019-07-02
| Aktualisiert: 2024-03-08
