Analog Devices Inc. LTC2672 Evaluierungsboard (DC2903A)
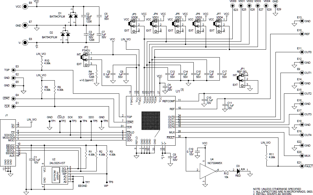
Analog Devices Inc. Das LTC2672 Evaluierungsboard (DC2903A) ist eine Demonstrations- und Entwicklungsplattform für den LTC2672 16-Bit-Digital-Analog - Wandler. Der LTC2672 ist ein 5-Kanal-Stromquellen-Ausgangs-DAC mit wählbaren Ausgangsbereichen, Präzisionsreferenz und einem Multiplexer zur Messung der Kanal-Ausgangsspannungen und -Ströme. Der LTC2672 wird für verschiedene Strommodus-Vorspannungsapplikationen, wie z. B. abstimmbare Laser oder ohmsche Heizelemente verwendet. Die Ausgangsstrombereiche sind Software-wählbar und jeder Kanal wird zum DC2903A MUX-Pin für die externe Überwachung geroutet.Der DC2903A verfügt über einen vorbestückten LTC2672 DAC in einem kompakten LFCSP32-Gehäuse zusammen mit Teststiften für alle wichtigen Signale. Der DC2903A wird über eine serielle Peripherieschnittstelle (SPI) vom J1-Steckverbinder gesteuert, der für den Anschluss an das Linduino® One DC2026C Demonstrationsboard ausgelegt ist. Das Linduino One ist ein Arduino-kompatibles Board, das über ein USB-Kabel mit einem Windows-basierten PC verbunden werden kann. Die QuikEval Evaluierungssoftware kann dann zur Bereitstellung einer intuitiven grafischen Benutzeroberfläche (GUI) verwendet werden, die die LTC2672 über die SPI-Schnittstelle konfiguriert und steuert.
Merkmale
- LTC2672 16-Bit-5-Kanal-Analog-Digital-Wandler (ADC)
- Für den Betrieb mit dem Linduino One (DC2026C) Demonstrationsboard ausgelegt
- QuikEval GUI-Evaluierungssoftware-kompatibel
- Testpunkte für alle wichtigen Signale
- 14-Pin-SPI-Schnittstellen-Steckverbinder
- Konfigurations-Steckbrücken
- Stromquellenausgänge (VDD0 bis VDD4)
- Interne oder externe Referenz (REF SEL)
- Stromeinstellungs-Endwert-Pin (FSADJ)
Lieferumfang Kit
- DC2903A Evaluierungsboard
- Flachbandkabel zur Verbindung mit dem Linduino One (DC2026C) Demonstrationsboard
Erforderliche Ausrüstung
- Linduino One (DC2026C) Demonstrationsboard (muss separat erworben werden)
- QuikEval Evaluierungssoftware
- Windows-PC
- Strommessgerät
Software
Das LTC2672 Evaluierungsboard (DC2903A) ist für den Einsatz mit dem Linduino One (DC2026C) Demonstrationsboard (im Lieferumfang nicht enthalten) und der QuikEval-Evaluierungssoftware ausgelegt. Alle Konfigurations- und Messdaten können über die QuikEval-Schnittstelle geschrieben und gelesen werden, was eine bequeme Methode zur Evaluierung des LTC2672 DAC ermöglicht. Beispiel-Arduino-Code- und Design- und Integrationsdateien sind ebenfalls verfügbar.
Einrichtungsbeispiel
Schaltplan-Diagramm
