Analog Devices Inc. LTC3355 DC/DC-Abwärtswandler mit integrierten SCAP-Ladegeräten
Die DC/DC-Abwärtswandler mit integrierten SCAP-Ladegeräten LTC3355 von Linear Technology/Analog Devices eignen sich ideal für Eingangsstrom-Interrupt-DC/DC-Systeme. Die Ladegeräte liefern stetigen Laststrom zu VOUT und laden „im Hintergrund“ den Superkondensator auf. Der nicht-synchrone 1A-Konstantfrequenz/Current-Mode-Schaltregler in diesem Baustein akzeptiert Eingangsspannungen bis 20 V und liefert eine geregelte Ausgangsspannung von 2,7 V bis 5 V. Ein Temperatur-Regelschleife maximiert den Ladestrom, begrenzt dabei aber die Temperatur auf maximal 110 °C. Die Merkmale des LTC3355 umfassen VIN -programmierbare Strombegrenzungen, Hochsetzfunktion und ein Ladegerät.Merkmale
- 3 V bis 20 V VIN Spannungsbereich
- 2,7 V bis 5 V VOUT Spannungsbereich
- 1 A Strommodus-Abwärts-Hauptregler
- Der 5 A Aufwärts-Notstromregler wird von einem einzelnen Superkondensator betrieben
- Der Aufwärtsregler wird mit niedrigen 0,5 V betrieben und ermöglicht eine maximale Nutzung der in Superkondensatoren gespeicherten Energie
- Programmierbarer Superkondensator-Ladestrom bis 1 A mit Überspannungsschutz
- Ladegerät unterstützt Einzelzellen-CC/CV-Batterieladung
- Programmierbare VIN-Strombegrenzung
- Programmierbare Aufwärtsstrombegrenzung
- VIN -Stromausfall-Anzeige
- VCAP-Power-Good-Anzeige
- VOUT-Power-on-Reset-Ausgang
- Kompaktes 4 mm × 4 mm 20-Pin-QFN-Gehäuse
Applikationen
- Ride-Through-„Dying Gasp“-Netzeile
- Stromzähler/industrielle Alarme/Solid-State-Drives
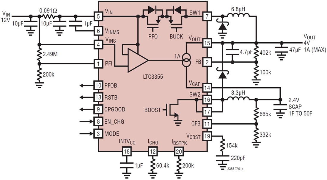
Typische Applikation
Veröffentlichungsdatum: 2017-05-15
| Aktualisiert: 2022-03-29
