Analog Devices Inc. LTC3372 Abwärtscontroller-Plus-Abwärtsregler-ICs
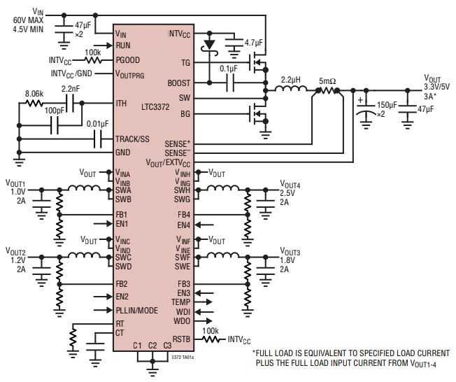
Analog Devices Inc. LTC3372 Abwärtscontroller-Plus-Abwärtsregler-ICs sind hochflexible Stromversorgungs-ICs mit mehreren Ausgängen. Diese Bauteile enthalten einen leistungsstarken Hochspannungs(HV)-DC/DC-Abwärtsschaltregler-Controller, der eine synchrone n-Kanal-FET-Leistungsstufe mit einem 4,5-V- bis 60-V-Eingang ansteuert. Darüber hinaus enthalten die LTC3372 ICs vier synchrone Niederspannungsabwärtsregler, die über die C1- bis C3-Pins programmiert werden können, um acht integrierte 1-A-Leistungsstufen zu teilen. Der CT-Pin programmiert die Zeitsteuerparameter des Watchdog-Timers und die LV-Ausgänge des Power-on-Reset (RST). Präzise Aktivierungsschwellenwerte ermöglichen eine zuverlässige Einschalt-Sequenzierung. Die LTC3372 ICs sind hauptsächlich für Fahrzeuganwendungen vorgesehen, die mehrere Spannungsschienen erfordern.Merkmale
- Programmierbar oder synchronisierbar zu externem Taktgeber
- Watchdog und Power-on-Reset-Verzögerung programmierbar
- 8 flexible Konfigurationen
- Temperatursensorausgang für IC-Chip
- Thermisch verbessertes 48-Pin-QFN-Gehäuse von 7 mm x 7 mm
- Verlängert die Akkulaufzeit
Technische Daten
- HV-Abwärtscontroller:
- 4,5 V bis 60 V VIN
- 5 V/3,3 V VOUT
- LV-Abwärtsregler:
- 2,25 V bis 5,5 V INA-H
- VOUT1-4 ≥ 0,8 V
- 8×1 A LV-integrierte Leistungsstufen, als 2-, 3- oder 4-Ausgangskanäle konfigurierbar
- 8 einzigartige Ausgangskonfigurationen (1 A bis 4 A pro Kanal)
- Niedriger Gesamt-Nulllast-Eingangsstrom (IQ):
- 15 µA, nur HV-Controller (5 VOUT)
- 23 μA, nur HV-Controller (3,3 VOUT)
- 33 μA, HV-Controller (3,3 VOUT) plus ein LV-Regler
- 9 μA pro zusätzlichem LV-Reglerkanal
- 1 MHz bis 3 MHz Betrieb (HV läuft mit 1/6 der Frequenz)
Weitere Ressourcen
LTC3372 Applikations-Schaltungs-Diagramm
LTC3372 Leistungsdiagramm
Veröffentlichungsdatum: 2019-01-14
| Aktualisiert: 2023-07-27
