Analog Devices Inc. LTC7820 Hochleistungs-Ladungspumpen-Gleichstromregler

Der Hochspannungs-Hochleistungs-Schaltkondensator/Ladungspumpenregler mit festgelegtem Verhältnis LTC7820 von Linear Technology/Analog Devices Inc. bietet eine kleine und kostengünstige Lösung für hochleistungsfähige, nicht isolierte Zwischenbusapplikationen mit Fehlerschutz. Die Bauteile enthalten vier n-Kanal-MOSFET-Gate-Treiber zum Ansteuern externer MOSFETs in Spannungsteiler-, Doppler- oder Wechselrichter-Konfigurationen. Die Bauteile erzielen ein Abwärtsverhältnis von 2:1 aus einer Eingangsspannung von 72 V, ein Aufwärtsverhältnis von 1:2 aus einer Eingangsspannung von 36 V oder ein invertierendes Verhältnis aus einer Eingangsspannung von bis zu 36 V.

Jeder Leistungs-MOSFET wird mit einem Tastverhältnis von 50 % bei einer konstanten vorprogrammierten Schaltfrequenz geschaltet. Der Wirkungsgrad des Systems kann auf mehr als 99 % optimiert werden. Die Schaltfrequenz des LTC7820 kann linear von 100 kHz bis 1 MHz programmiert werden. Die Bauteile sind in einem thermisch verbesserten 28-Pin-QFN-Gehäuse mit einigen Nichtverbindungs-Pins für einen hochspannungskompatiblen Pin-Abstand erhältlich.

Merkmale

  • Niedriges Profil, hohe Leistungsdichte, 500 W+-Fähigkeit
  • Sanftanlauf im stationären Betrieb
  • Eingangsstrom-Erkennung und Überstromschutz
  • Ausgangskurzschluss/OV/UV-Schutzfunktionen mit programmierbarem Timer und Retry
  • Thermisch verbessertes 28-Pin-QFN-Gehäuse von 4 mm x 5 mm

Technische Daten

  • Weiches Schalten: 99 % Spitzenwirkungsgrad und niedrige EMI
  • Max. VIN für Spannungsteiler (2:1): 72 V
  • Max. VIN für Spannungsdoppler (1:2)/Wechselrichter (1:1): 36 V
  • Großer Vorspannungs-VCC-Eingang für einen verbesserten Wirkungsgrad
  • Großer Betriebsfrequenzbereich: 100 kHz bis 1 MHz

Applikationen

  • Buswandler
  • Hochstromverteilungssysteme
  • Kommunikationssysteme
  • Industrieapplikationen

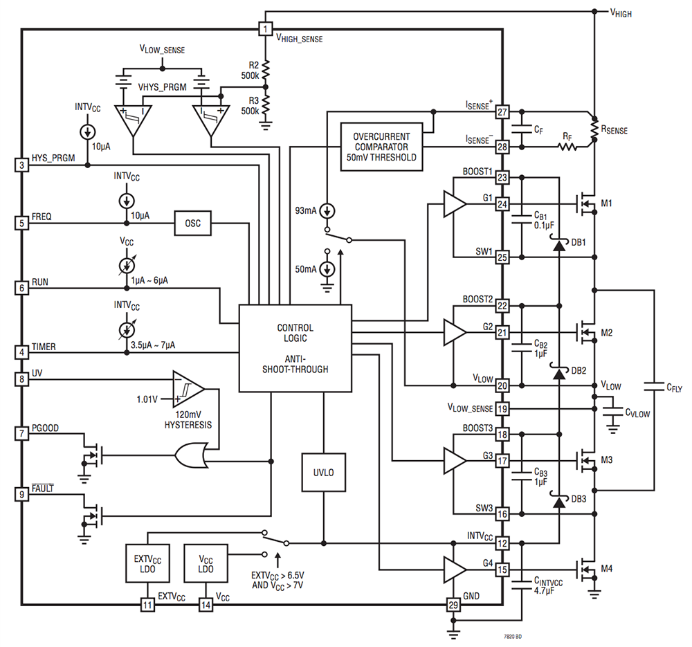
Blockdiagramm

Blockdiagramm - Analog Devices Inc. LTC7820 Hochleistungs-Ladungspumpen-Gleichstromregler

Videos

Veröffentlichungsdatum: 2017-05-04 | Aktualisiert: 2022-03-17