Analog Devices Inc. LTM8051 40-VIN Quad-µModule®-Regler
Die LTM8051 Quad-40 VIN -Silent-Switcher® -μModule® -Regler von Analog Devices Inc. sind 1,2 A-Silent-Switcher-Abwärtsregler. Die Silent-Switcher-Architektur reduziert EMI und bietet gleichzeitig einen hohen Wirkungsgrad bei Frequenzen von bis zu 3 MHz. Diese Regler sind mit Controllern, Leistungsschaltern, Induktivitäten und unterstützenden Bauelementen verfügbar. Die LTM8051 Regler unterstützen Ausgangsspannungen von 0,8 V bis 8 V und einen Schaltfrequenzbereich von 300 kHz bis 3 MHz, die jeweils über einen einzelnen Widerstand eingestellt werden können. Diese Regler sind in einem kompakten (6,25 mm × 11,25 mm × 2,22 mm) umspritzten Ball-Grid-Array-Gehäuse (BGA) verfügbar, das sich für die automatische Bestückung durch oberflächenmontierbare Standardausrüstungen eignet. Zu den typischen Applikationen gehören automatisierte Testanlagen, verteilte Versorgungsregelung, Industrienetzteile und medizinische Geräte.Merkmale
- Vier vollständige Abwärts-Schaltnetzteile
- Rauscharme Silent Switcher-Architektur
- Konform mit CISPR22 Klasse B
- Konform mit CISPR25 Klasse 5
- Mehrphasen- oder Multi-μmodule-Parallelschaltung für einen erhöhten Ausgangsstrom
Applikationen
- Automatisierte Testanlagen
- Verteilte Versorgungsregelung
- Industrienetzteile
- Medizinische Geräte
Technische Daten
- Großer Eingangsspannungsbereich von 3 V bis 40 V
- Großer Ausgangsspannungsbereich: 0,8 V bis 8 V
- Auswählbarer Schaltfrequenzbereich: 300 kHz bis 3 MHz
- Kompaktes oberflächenmontierbares BGA-Gehäuse (6,25 mm × 11,25 mm × 2,22 mm)
- 1,2 A Dauerausgangsstrom pro Kanal bei 12 VIN und 3,3 VOUT bei TA = 85 °C
- 1,5 A Dauerausgangsstrom pro Kanal bei 12 VIN und 3,3 VOUT bei TA = 60 °C
- -40 °C bis 125 °C Betriebstemperaturbereich
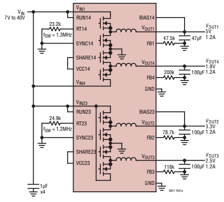
Blockdiagramm
Typisches Applikations-Schaltungsdiagramm
Leistungsdiagramm
Veröffentlichungsdatum: 2020-10-30
| Aktualisiert: 2024-11-26
