Analog Devices Inc. MAX22196EVKIT Evaluierungskit
Das Analog Devices Inc. MAX22196EVKIT Evaluierungskit (EV-Kit) stellt die Hardware und Software zur Evaluierung der MAX22196 oktalen Senken-/Quellen-Industrie-Digitaleingänge zur Verfügung. Dieses Kit empfängt Befehle von einem PC über den USB-Anschluss und erstellt SPI-Transkationen für die Kommunikation zwischen der Software und MAX22196 auf dem Kit. Das MAX22196EVKIT EV-Kit enthält einen Pmod ™-kompatiblen Steckverbinder für die SPI-Kommunikation mit einem externen Host-Bauteil, einschließlich einer Mikrocontrollereinheit (MCU) oder einem feldprogrammierbaren Gate-Array (FPGA). Dieses Evaluierungskit ist mit einer GUI ausgestattet, die zwischen dem PC und dem Zielbauteil kommuniziert.Das MAX22196EVKIT wird im USB-Modus, Pmod-Modus und in einem Multibauteil-Modus betrieben. Dieses Evaluierungskit unterstützt die Prüfung von transienten Störfestigkeiten für ESD, EFT und Überspannung gemäß den IEC 61000-4-2-, IEC 61000-4-4- und IEC 61000-4-5-Standards. Das MAX22196 Evaluierungskit bietet ein Design für acht-Kanal, galvanisch getrennte, Typ 1/3 konfigurierbare oder Typ 2 oder Quellen-Digitaleingangslösungen mit Hilfe des MAX22196. Dieses Evaluierungskit enthält das MAX22196EVKIT#, welches das MAX22196AJT+ Mikro-USB-Kabel und einen 24 V- Stromadapter umfasst.
Merkmale
- Evaluiert die MAX22196 Digitaleingänge
- Die Logikseite des EV-Kits ist USB-betrieben
- Robustes Design an Feldeingängen:
- Überspannungstoleranz von ±1 kV bei Leitung-zu-Masse und Leitung-zu-Leitung
- Elektrostatische Kontaktentladung (ESD) von ±8 kV
- Luftspalt-ESD von ±15 kV
- Software-konfigurierbar für IEC 61131 Typ-1/3-, Typ-2-, TTL- oder HTL-Eingänge
- Mit Windows® 10 kompatible Software
- Vollständig bestückt und getestet
- Bewährtes PCB-Layout
- Unterstützt Transienten-Immunitätstests gemäß den IEC 61000-4-2, IEC 61000-4-4 und IEC 61000-4-5 Stnadards
- RoHs-konform
Lieferumfang Kit
- MAX22196EVKIT#, einschließlich MAX22196AJT+
- Mikro-USB-Kabel
- 24-V-Stromadapter
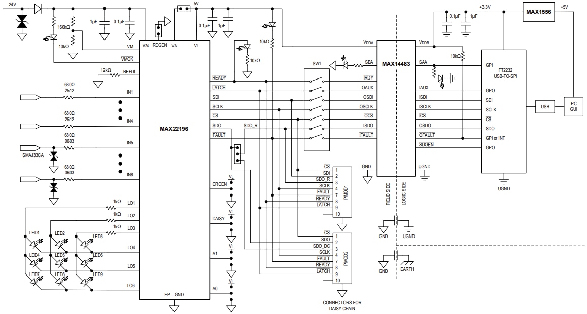
Evaluierungskit System Blockdiagramm
Veröffentlichungsdatum: 2023-04-27
| Aktualisiert: 2023-05-03
