Analog Devices / Maxim Integrated MAX38647B WLP-Evaluierungskit
Das Analog Devices Inc. MAX38647B WLP-Evaluierungskit (MAX38647BEVKIT) evaluiert den MAX38647B IC in einem Wafer-Level-Gehäuse (WLP). Der kompakte MAX38647B verfügt über einen Eingangsbereich von 1,8 V bis 5,5 V, einen 440nA IQ und einen 175 mA nanoPower-Abwärtswandler mit einem Vierstufen-VSEL. Der MAX38647BEVKIT bietet Widerstands-konfigurierbare Ausgangsspannungen von 0,5 V bis 1,8 V. Der MAX38647B kann die Spannung mit zwei Spannungsauswahl-Pins (VSEL) dynamisch ändern. Das vollständig bestückte/getestete WLP-Evaluierungskit MAX38647B von Analog Devices Inc. liefert einen Ausgangsstrom von bis zu 175 mA und wird mit dem installierten MAX38647BANA + geliefert.Merkmale
- Evaluiert den MAX38647B IC in einem 8-Bump-WLP-Gehäuse (1,82 mm x 0,89 mm, 0,4 mm Rastermaß)
- 1,8 V bis 5,5 V Eingangsspannungsbereich
- Konfigurierbare Ausgangsspannung: 0,5 V bis 1,8 V
- Bis zu 175 mAA Ausgangsstrom
- Bewährtes zweilagiges Kupfer-PCB-layout von 1 oz
- Demonstriert eine kompakte Lösungsgröße
- Fertig montiert und getestet
Erforderliche Ausrüstung
- 1 x MAX38647B WLP-Evaluierungskit
- 5,5 V, 3 A DC-Netzteil
- Last, die 175 mA-Strom senken kann
- Digitales Voltmeter (DVM)
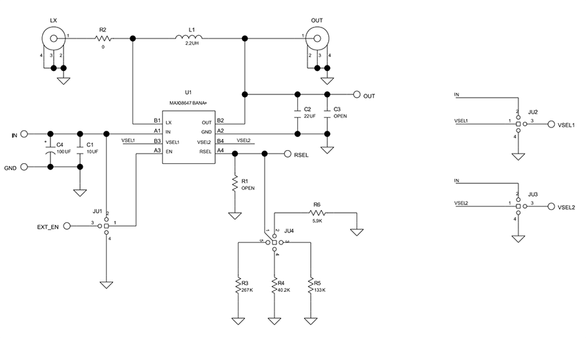
Schaltschema
Übersicht
Weitere Ressourcen
Veröffentlichungsdatum: 2023-06-15
| Aktualisiert: 2023-07-05
