Analog Devices / Maxim Integrated MAX96792A Dual GMSL3/2 zu CSI-2 Entserialisierer
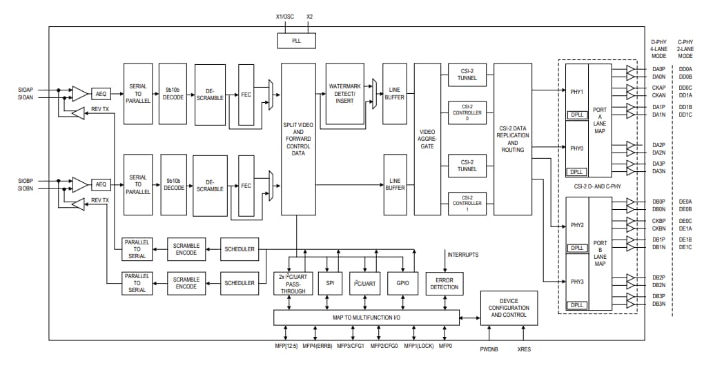
Analog Devices/Maxim Integrated MAX96792A Dual GMSL3/2 zu CSI-2 Entserialisierer sind ausgelegt, um duale GMSL™ 3/2 serielle Eingänge in MIPI CSI-2 umzuwandeln. Diese Entserialisierer empfangen Videodaten des Vorwärtskanals und empfangen und senden gleichzeitig bidirektionale Steuerkanaldaten über Koaxialkabel oder STP-Kabel (Shielded-Twisted Pair). Die MAX96792A Entserialisierer verfügen über eine Hochgeschwindigkeitsverbindung in Fahrzeugqualität mit einer maximalen Einfügungsdämpfung von -18 dB und einer automatischen Anpassungsfähigkeit an Änderungen der Kanalbedingungen. Diese Entserialisierer bieten zwei MIPI CSI-2-Ausgangsports, die virtuelle 16 Kanäle unterstützen. Die MAX96792A Entserialisierer sind abwärtskompatibel mit GMSL2 und können mit 6 Gbps oder 3 Gbps GMSL2-Serialisierern kombiniert werden. Die doppelten GMSL3-Eingänge verfügen über eine Vorwärtsverbindungsrate von 12 Gbps und eine Rückwärtsverbindungsrate von 187,5 Mbps. Diese Entserialisierer unterstützen Tunneling sowie Pixelmodus-Videotransport und sind ASIL-B-konform. Typische Applikationen umfassen ADAS, FVC-Systeme von 8 MP bis 15 MP, die Weiterleitung von aggregierten Kameradaten und eMirror-Kamerasysteme.Merkmale
- Hochgeschwindigkeitsverbindung nach Fahrzeugstandard:
- Maximale Einfügungsdämpfung von -18 dB bei 3 GHz (12 Gbps)
- Automatische Anpassung an Änderungen der Kanalbedingungen
- Arbeitet bei Umgebungstemperaturen von -40 °C bis 105 °C
- Zwei MIPI CSI-2 v1.3 Ausgangsanschlüsse:
- 2 4-Leitung, D-PHY v1.2 bewertet mit 2,5 Gbps/Leitung
- 2 2-Leitung, C-PHY v1.0 bewertet mit 4,57 Gbps/Leitung
- Unterstützt 16 virtuelle Kanäle
- Doppelte GMSL3-Eingänge:
- 12 Gbps GMSL3-Vorwärtsverbindungsrate
- GMSL2 abwärtskompatible Verbindungsraten von 6 Gbps/3 Gbps
- 187,5 Mbps Rückwärtsverbindungsrate
- Unterstützt Tunneling und Pixelmodus-Videoübertragung
- Bidirektionaler Steuerkanal unterstützt:
- 11 konfigurierbare GPIO
- 1 I2C/UART-Anschluss bis zu 1 MHz
- 2 Durchgangsanschlüsse
- Bis zu 2 M Baud als UART
- Bis zu 1 Mbps als I2C
- 1 SPI-Anschluss bis zu 25 MHz
- Reduziert BOM und Platzeinsparungen
- 48-polige 7 mm x 7 mm seitlich benetzbares TQFN
- RoR-Kanaltaktung (Reference-over-Reverse) für den kristallfreien Betrieb auf Serialisierern
- Sicherheit:
- ASIL-B-konform
Applikationen
- Fortschrittliche Fahrerassistenzsysteme (ADAS)
- 8 MP bis 15 MP Frontkamerasysteme (FVC)
- Weiterleitung der aggregierten Kameradaten
- eMirror-Kamera-Systeme
Vereinfachtes Applikationsdiagramm
Blockdiagramm
Veröffentlichungsdatum: 2025-12-04
| Aktualisiert: 2025-12-23
