Analog Devices Inc. EVAL-ADM3067EEBZ Evaluierungsboard

Das Analog Devices EVAL-ADM3067EEBZ Evaluierungsboard ist zur Evaluierung des Betriebsverhaltens des ADM3067E 50-MBit/s-RS-485-Transceivers ausgelegt. Dieses Evaluierungsboard bietet einen IEC-ESD-Schutz an den RS-485-A- und -B-Pins mit Testpunkten für die Messung aller Signale. Das EVAL-ADM3067EEBZ Evaluierungsboard verfügt über eine Steckbrücken-auswählbare Aktivierung/Deaktivierung für RE und DE und Widerständen mit Footprints für Terminierungs- und Bias-Netzwerke. Dieses Evaluierungsboard wird von einem standardmäßig konfigurierbaren Tischnetzteil innerhalb einer Versorgungsspannung von 3,0 V bis 5,5 V betrieben.

Merkmale

  • Einfache Evaluierung des ADM3076E 50-MBit/s-RS-485-Transceivers
  • Board-Layout für Standard-, Vollduplex-, RS-485-Footprint
  • Schraubanschlussklemmen für Logik-Ein-/Ausgang und RS-485-Signale
  • Steckbrücken-wählbare Aktivierung/Deaktivierung für RE und DE
  • Testpunkte für die Messung aller Signale
  • Widerstände und Footprints für Terminierungs- und Bias-Netzwerke

Technische Daten

  • 14-Pin-SOIC-Gehäuse
  • ±12 kV Kontaktentladung und ±12 kV Luftentladung
  • Versorgungsspannungsbereich von 3 V bis 5 V

Erforderliche Ausrüstung

  • Oszilloskop
  • Signalgenerator
  • Versorgung: 3 V bis 5 V 

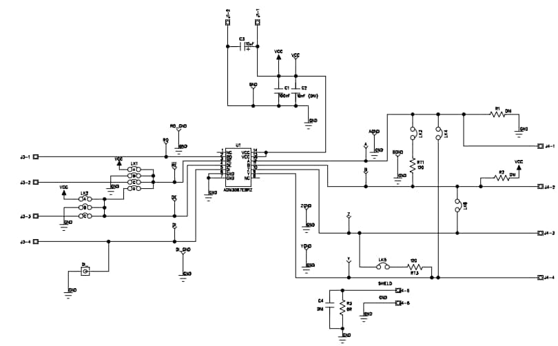
EVAL-ADM3067EEBZ Schaltbild

Schaltplan - Analog Devices Inc. EVAL-ADM3067EEBZ Evaluierungsboard
Veröffentlichungsdatum: 2019-05-13 | Aktualisiert: 2024-01-05