Analog Devices / Maxim Integrated MAX77714 Leistungsmanagement-IC
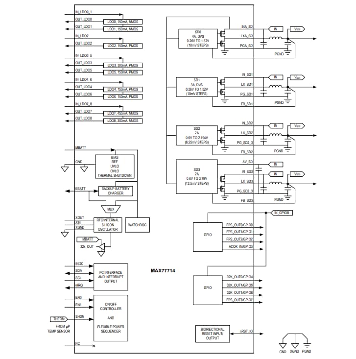
Der Maxim Integrated MAX77714 Leistungsmanagement-IC (PMIC) ist für tragbare Geräte ausgelegt, die System-on-Chip(SoC)-Applikationsprozessoren verwenden. Dieser PMIC verfügt über 13 Regler, 8 Universal-I/Os (GPIOs), eine Echtzeituhr (RTC) und einen flexiblen Leistungssequenzer (FPS) für Multicore-Applikationen. Der MAX77714 PMIC besteht aus 9 Low-Dropout-Linearreglern (LDO), die verschiedene Systemblöcke mit Strom versorgen. Jeder LDO verfügt über eine programmierbare aktive Entladungsschaltung bei Abschaltung und zwei Sanftanlauf-Raten zur Begrenzung des Einschaltstroms bei Inbetriebnahme. Der MAX77714 PMIC enthält eine RTC mit einem externen Quarzoszillator, die den Umgang mit den Zeit- und Alarm-Aktivierungsfunktionen unterstützt. Dieser PMIC enthält einen EIN-/AUS-Controller und FPS, der eine maximale Flexibilität bei der Festlegung von Einschalt-/Ausschalt-Sequenzen mit minimalem Eingriff des Applikationsprozessors bietet. Typische Applikationen sind Drohnen, Smartphones, PCs, AR/VR-Kopfhörern, Set-Top-Boxen, Digitalkameras und Hausautomatisierungs-Hubs.Merkmale
- Hochintegriert
- 4 x Abwärtsregler
- 9 x LDO-Linearregler
- Acht GPIOs
- RTC
- Backup-Ladegerät
- Bidirektionaler Reset-I/O
- Interruptausgabe
- System-Watchdog-Timer
- Geringer Stromverbrauch
- Kleine Größe
- Flexibel und konfigurierbar
- I2C-kompatible Schnittstelle
- Werksseitige OTP-Optionen verfügbar
- Flexibler Leistungssequenzer
- Konfigurierbares Einstiegs-/Ausstiegs-Timing für Einschalt-/Abschalt-/Ruhemodus
- Hochkonfigurierbare GPIO-ALT-Modi
Applikationen
- Drohnen
- Smartphones
- Tablets
- PCs
- AR/VR-Kopfhörer
- Set-Top-Boxen
- Streaming-Geräte
- Hausautomatisierungs-Hubs
- Automotive-Nachrüstzubehör
- Digitalkameras
Weitere Ressourcen
MAX77714 PMIC Blockdiagramm
Veröffentlichungsdatum: 2018-07-17
| Aktualisiert: 2022-09-02
