Analog Devices / Maxim Integrated MAX11259SYS1 ADC-Testmodulsystem
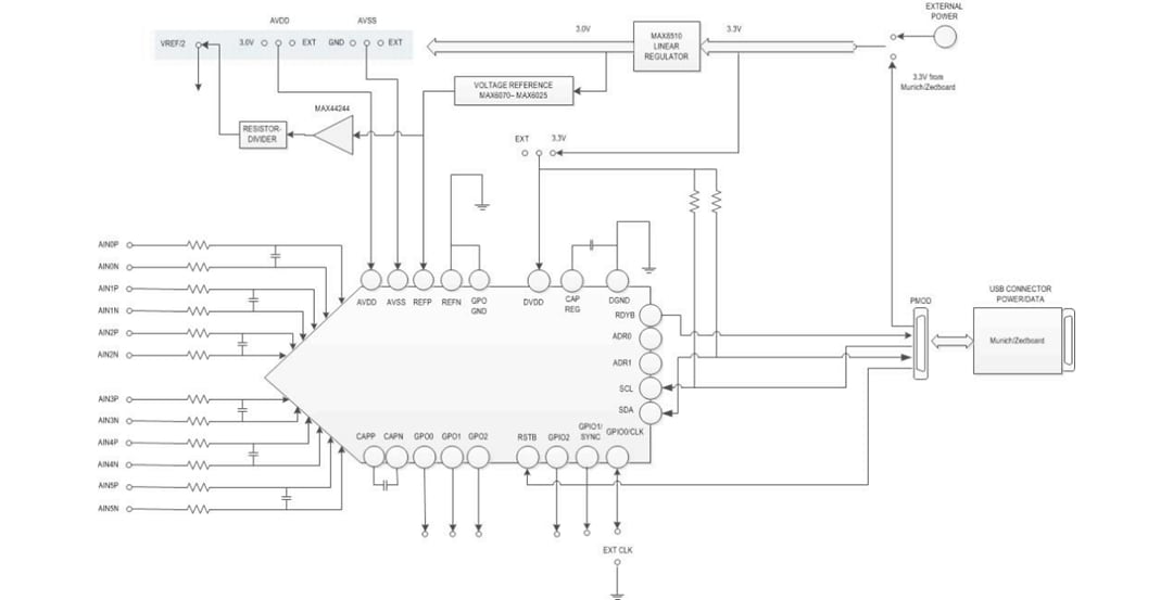
Das Maxim MAX11259SYS1 Analog-Digital-Wandler-Testmodulsystem umfasst das MAX11259PMB Peripherie-Modul und die USB2PMB2 Munich-Adapterplatine. Das MAX11259PMB Peripheriemodul bietet ein bewährtes Signalpfad- und Platinenlayout zur Bewertung der Leistungsfähigkeit des MAX11259AWX 24-Bit-Delta-Sigma-ADCs. Im Peripheriemodul sind digitale Isolatoren, extrem rauscharme LDOs für alle Versorgungskontakte des IC, On-Board-Referenz (MAX6072) und Sync-In- und Sync-Out-Signale für kohärente Abtastung. Der USB2PMB2 FTDI-Controller wird für die Auswertung im Stand-Alone-Modus bereitgestellt und unterliegt Begrenzungen bei der Abtastgeschwindigkeit und Abtasttiefe. Das Peripheriemodul kann mit FPGA verwendet werden, um die volle Geschwindigkeit und eine größere Abtasttiefe zu erzielen.Merkmale
- Various sample sizes and sample rates
- Time domain, frequency domain, and histogram plotting
- Proven PCB layout
- Fully assembled and tested
- Microsoft Windows-compatible software
MAX11259PMB Board Layout
USB2PMB2 Board Layout
Block Diagram
Veröffentlichungsdatum: 2016-08-25
| Aktualisiert: 2023-04-12
