Analog Devices Inc. MAX14917 Oktaler Industrie-High-Side-Schalter
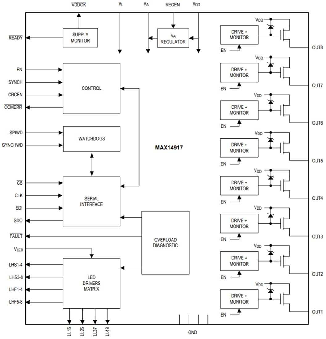
Der oktale Industrie-High-Side-Schalter MAX14917 von Analog Devices verfügt über acht High-Side-Schalter, die für einen Dauerstrom von bis zu 700 mA (Minimum) pro Kanal ausgelegt sind. Die High-Side-Schalter haben einen Einschaltwiderstand von 120 mΩ (typisch) bei +25°C Umgebungstemperatur. Der Bauelement verfügt über eine SPI-Schnittstelle, die in Reihe geschaltet werden kann und die Kommunikation mit mehreren ADI MAX14917 Geräten ermöglicht, die einen gemeinsamen SPI Chip Select (CS) verwenden. Die SPI-Schnittstelle bietet außerdem eine Überlastungsdiagnose pro Kanal. Zwei Watchdog-Timer sorgen für eine zusätzliche Sicherheitskontrolle der Master-to-Device-Anschlussfähigkeit.Der MAX14917 verfügt über eine 4x4 LED-Kreuzschienen-Matrix, die eine visuelle Anzeige des Kanalstatus und der Überlastbedingungen für jeden Kanal bietet. Ein integrierter Überspannungsschutz von Leitung zu Erde und Leitung zu Leitung sorgt für Robustheit gegenüber elektrischem Stress gemäß IEC 61000-4-5 und erfordert nur einen TVS an VDD. Der oktale Industrie-High-Side-Schalter MAX14917 von Analog Devices ist in einem kompakten 48-poligen 6 mm x 6 mm FC2QFN-Gehäuse erhältlich.
Merkmale
- Robuste Lösungen
- Absoluter maximaler Versorgungsbereich von 65 V
- CRC-Fehlerüberprüfung auf der SPI-Schnittstelle
- Watchdog-Timer für die Überwachung von SPI und SYNCH
- Pro-Kanal-Überlastdiagnose- und Schutzfunktion
- Verlust von VDD oder GND-Schutz
- Übertemperaturschutz
- Integrierter ±1 kV/42 Ω Überspannungsschutz gemäß IEC 61000-4-5
- Kontaktentladungsmethode von ±7 kV gemäß IEC 61000-4-2
- Luftentladungsmethode von ±30 kV gemäß IEC 61000-4-2
- Umgebungsbetriebstemperatur: -40 °C bis +125 °C
- Reduziert den Stromverbrauch und die Wärmeabgabe
- 120 mΩ (typischer) Einschaltwiderstand bei TA = +25 °C
- 2,5 mA (typisch) Versorgungsstrom
- Genaue Ausgangsstrombegrenzung
- Flexibel
- SYNCH-Eingang für gleichzeitige Aktualisierung der Schalter
- LED-Treiber-Matrix für 16x LEDs, Stromversorgung von 3,0 V bis 36 V
- Interne Klemmen für eine schnelle Entmagnetisierung induktiver Last
- Verkettbare SPI
- Flexible Logikspannungsschnittstelle von 2,5 V bis 5,5 V
- Pin-kompatibel mit dem MAX14915 und MAX14916 in einer Verkettungskonfiguration
- Kompaktes FC2QFN-Gehäuse von 6 mm x 6 mm
Applikationen
- Industrie-Digitalausgänge
- PLC-Systeme
- Fabrikautomatisierung
- Gebäudeautomatisierung
- Industrie-IoT
Vereinfachtes Blockdiagramm
Veröffentlichungsdatum: 2020-06-04
| Aktualisiert: 2024-05-24
