Analog Devices Inc. MAX15158/MAX15158A Mehrphasen-Boost-Controller
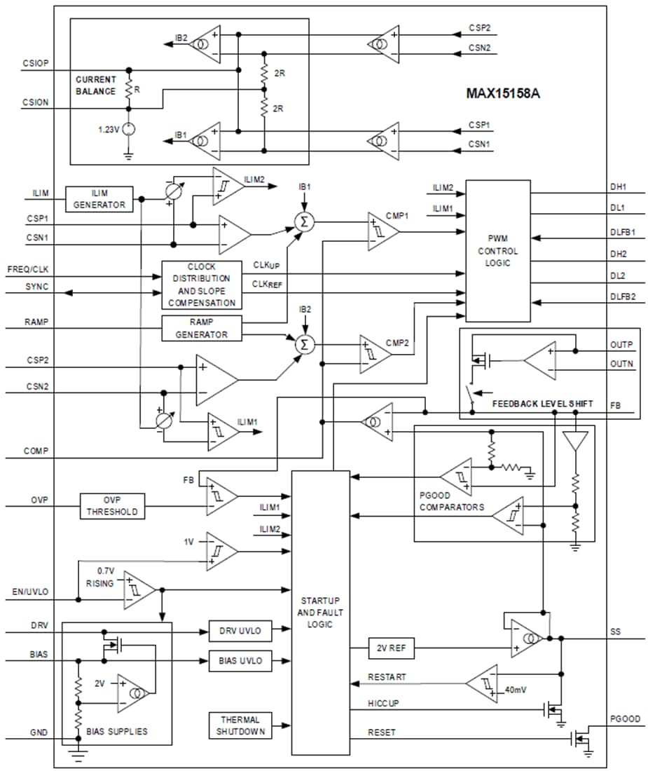
Analog Devices Inc. MAX15158/MAX15158A Hochspannungs-Mehrphasen-Boost-Controller sind zur Unterstützung von bis zu zwei MOSFET-Treibern und vier externen MOSFETs in einphasigen oder zweiphasigen Boost-/invertierenden Buck-Boost-Konfigurationen ausgelegt. Zwei Bauteile können für einen 4-Phasen-Betrieb gestapelt werden. Die Ausgangsspannung des MAX15158 kann über den 1-V- bis 2,2-V-Referenzeingang (REFIN) für eine modulare Design-Unterstützung dynamisch eingestellt werden. Für den MAX15158A wird der REFIN-Pin entfernt und die interne 2,0-V-Referenzspannung standardmäßig ausgewählt. Die Schaltfrequenz wird entweder durch eine externe Widerstandseinstellung des internen Oszillators oder durch Synchronisierung des Reglers mit einem externen Takt gesteuert. Die Bauteile sind zur Unterstützung von Schaltfrequenzen von 120 kHz bis 1 MHz ausgelegt. Die Controller verfügen über einen dedizierten Freigabe-/Eingangs-Unterspannungssperren-Pin (EN/UVLO) zur Konfiguration einer flexiblen Leistungssequenzierung.Der MAX15158/MAX15158A verfügt über einen dedizierten RAMP-Pin zur Anpassung des internen Neigungsausgleichs Die Bauteile verfügen über einen einstellbaren Überstromschutz. Die Bauteile enthalten Strommessverstärker, die eine genaue Messung des Stroms der einzelnen Phasen über externe Messwiderstände zur Implementierung einer genauen Phasenstrom-Aufteilung ermöglichen. Darüber hinaus sind die Controller gegen Ausgangsüberspannung, Eingangsunterspannung und thermische Abschaltung geschützt. Die Bauteile sind in einem 32-Pin-TQFN-Gehäuse von 5 mm x 5 mm erhältlich und unterstützen einen Sperrschichttemperaturbereich von -40 °C bis +125 °C.
Merkmale
- Umfangreicher Betriebsbereich
- Eingangsspannungsbereich von 8 V bis 76 V für Aufwärts-Konfiguration und Eingangsspannungsbereich von -8 V bis -76 V für invertierende Buck-Boost-Konfiguration
- Ausgangsspannungsbereich von 3,3 V bis 60 V über der Eingangsspannung
- Schaltfrequenzbereich: 120 kHz bis 1 MHz
- Temperaturbereich: -40 °C bis +125 °C
- Ein-, zwei-, vierphasiger Betrieb
- Aktive Phasenstromausgleichssteuerung
- Integration reduziert den Design-Footprint
- Interner LDO für die Erzeugung der Vorspannungsversorgung
- Mehrphasen-Synchronisierung und Verschachtelung mehrerer Controller
- Pegelwandler für die Messung der Ausgangsspannung
- Robuster Fehlerschutz verbessert Qualität und Zuverlässigkeit
- Einstellbare Eingangs-Unterspannungssperre
- Einstellbare Zyklus-für-Zyklus-Spitzenstrombegrenzung und schneller Überstromschutz
- Wählbarer Feedback-Überspannungsschutz
- Thermische Abschaltung
- Flexibles und einfaches Systemdesign
- Einstellbarer Neigungsausgleich
- Low-Side-MOSFET-Gate-Überwachung für eine genaue Strommessung
- Der diskontinuierliche Leitungsmodus-Betrieb wird unterstützt, wenn eine Diode anstelle des High-Side-MOSFETS verwendet wird
- Kleines TQFN-Gehäuse von 5 mm x 5 mm, Rastermaß von 0,5 mm
Applikationen
- Kommunikation
- Industrie
- Automotive
- Mehrphasen-Boost
MAX15158 Blockdiagramm
MAX15158A Blockdiagramm
Veröffentlichungsdatum: 2020-04-03
| Aktualisiert: 2024-05-08
