Analog Devices / Maxim Integrated MAX16813B Vierkanal-LED-Treiber
Der Maxim Integrated MAX16813B Vierkanal-LED-Treiber bietet einen hohen Wirkungsgrad und eine hohe Helligkeit mit vier integrierten LED-Stromsenken-Kanälen. Ein integrierter Strommodus-Schaltregler steuert einen DC/DC-Wandler an, der die erforderliche Spannung zu verschiedenen Ketten von HB-LEDs bietet. Der MAX16813B ermöglicht einen großen Eingangsspannungsbereich von 4,75 V bis 40 V und ist gegen direkte Automotive-Lastabwurf-Ereignisse beständig. Der große Eingangsbereich ermöglicht die Stromversorgung von HB-LEDs für kleine bis mittlere LCD-Displays in Automotive- und Universal-Beleuchtungsapplikationen.Der MAX16813B besteht aus vier identischen linearen Stromsenken-Kanälen, die mit einem einzelnen externen Widerstand von 20 mA bis 150 mA mit einer Genauigkeit von ±3 % einstellbar sind. Mehrere Kanäle können parallelgeschaltet werden, um einen höheren Strom pro LED-Kette zu erreichen. Darüber hinaus verfügt der MAX16813B über eine einzigartige gepulste Verdunkelungssteuerung über einen Logikeingang (DIM) mit einer minimalen Pulsbreite von 500 ns. Das Bauteil bietet Schutzfunktionen, einschließlich Ausgangsüberspannung, offene LED-Erkennungs- und -Schutzfunktion, programmierbare Kurzschluss-LED-Erkennungs- und Schutzfunktion, Ausgangsunterspannungsschutz und -Erkennung sowie Übertemperaturschutz.
Der MAX16813B Vierkanal-LED-Treiber wird über einen Automotive-Temperaturbereich von -40 °C bis +125 °C betrieben und ist in einem 20-Pin-TSSOP- (6,5 mm x 4,4 mm9 oder 20-Pin-TQFN-Gehäuse (4 mm x 4 mm) verfügbar.
Merkmale
- Lineare 4-Kanal-LED-Stromsenken mit internen MOSFETs, die unabhängig voneinander mehrere LED-Ketten ansteuern
- LED-Skalenendstrom, einstellbar von 20 mA bis 150 mA
- Steuert 1 bis 4 LED-Ketten an
- 10.000:1 PWM-Verdunkelung bei 200 Hz
- Die flexible Strommodusarchitektur unterstützt eine große Auswahl von Applikationen bei gleichzeitiger Reduzierung von Störungen
- Aufwärts- oder SEPIC-Strommodus-DC/DC-Controller
- Programmierbare Schaltfrequenz von 200 kHz bis 2 MHz
- Externe Schaltfrequenzsynchronisation
- Frequenzspreizungsmodus
- Schutzfunktionen verbessern die Fehlererkennung und Systemzuverlässigkeit
- Ausgang-zu-Mase-Unterspannungsschutz
- Open-Drain-Fehleranzeigeausgang
- Erkennung und Schutz von offenen LEDs und LED-Kurzschlüssen
- Übertemperaturschutz
- Adaptive Ausgangsspannungs-Optimierung zur Reduzierung der Verlustleistung
- Weniger als 2 µA Abschaltstrom
Applikationen
- Gebäude-, Industrie- und Umgebungsbeleuchtung
- LED-Hintergrundbeleuchtung für Automotive-Displays
- Heckbeleuchtung (Rear Combination Lighting, RCL), Tagfahrlicht (Daytime Running Lights, DRL), vorderes Standlicht und Nebelscheinwerfer
- LED-Hintergrundbeleuchtungen für LCD-TV und Desktop-Display
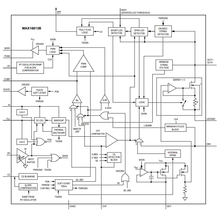
Blockdiagramm
