Analog Devices / Maxim Integrated MAX17631 Synchroner DC/DC-Abwärtswandler

Der Maxim MAX17631 Synchrone DC/DC-Abwärtswandler wird mit integrierten MOSFETs geliefert und über einen Eingangsspannungsbereich von 4,5 V bis 36 V betrieben. Der Wandler kann einen Strom von bis zu 1,5 A liefern. Der MAX17631 ist in drei Ausführungen erhältlich: MAX17631A, MAX17631B und MAX17631C. Die MAX17631A und MAX17631B sind Bauteile mit festem 3,3-V- bzw. festem 5-V-Ausgang. Der MAX17631C ist ein Bauteil mit einstellbarer Ausgangsspannung (von 0,9 V bis auf 90 % des VIN). Eine integrierte Kompensation für den Ausgangsspannungsbereich beseitigt die Notwendigkeit für externe Komponenten.

Der MAX17631 verfügt über eine Spitzenstrommodus-Steuerungsarchitektur. Das Bauteil kann im erzwungenen Pulsbreitenmodulations(PWM)-, Pulsfrequenzmodulations(PFM)- oder diskontinuierlichen Leitungs(DCM)-Modus betrieben werden, um einen hohen Wirkungsgrad bei Volllast- und Leichtlastbedingungen zu ermöglichen. Der MAX17631 bietet eine minimale Einschaltzeit, die höhere Schaltfrequenzen und eine kleinere Lösungsgröße ermöglicht. Die Rückkopplungs-Spannungsregelungsgenauigkeit über -40 °C bis +125 °C für den MAX17631A/MAX17631B/MAX17631C liegt bei ±1,2 %.

Merkmale

  • Reduziert die Anzahl externer Komponenten und die Gesamtkosten
    • Kein Synchronisationsbetrieb durch Schottky
    • Integrierte Kompensationskomponenten
    • Vollkeramik-Kondensatoren, kompaktes Layout
  • Verringert die Anzahl der zu lagernden DC/DC-Regler
    • Großer Eingangsbereich von 4,5 V bis 36 V
    • Ausgangsspannungsbereich einstellbar von 0,9 V bis 90 % von VIN
    • Liefert bis zu 1,5 A über den Temperaturbereich
    • 400 kHz bis 2,2 MHz anpassbare Frequenz mit externer Taktsynchronisierung.
    • Erhältlich in einem 16-Pin-TQFN-Gehäuse von 3 mm x 3 mm
  • Reduziert die Verlustleistung
    • Spitzenwirkungsgrad von 95 %
    • PFM- und DCM-Modi ermöglichen einen erweiterten Wirkungsgrad bei geringer Last
    • Hilfs-Bootstrap-Versorgung (EXTVCC) für einen verbesserten Wirkungsgrad
    • Abschaltstrom: 2,8 µA
  • Zuverlässiger Betrieb in widrigen Industrieumgebungen
    • Hiccup-Modus-Überlastschutz
    • Verstellbares und monotones Einschalten mit vorgespannter Ausgangsspannung
    • Eingebaute Ausgangsspannungsüberwachung mit RESET
    • Programmierbarer EN-/UVLO-Schwellenwert
    • Übertemperaturschutz
    • Hoher Industrie-Umgebungsbetriebstemperaturbereich (-40 °C bis +125 °C)/Sperrschichttemperaturbereich (-40 °C bis +150 °C)

Applikationen

  • Netzteile für die Industriesteuerung
  • Universal-Punktlast
  • Verteilte Versorgungsregelung
  • Netzteile für Basisstation
  • Regelung des Wandtransformators
  • Hochspannungs-Einzelboard-Systeme

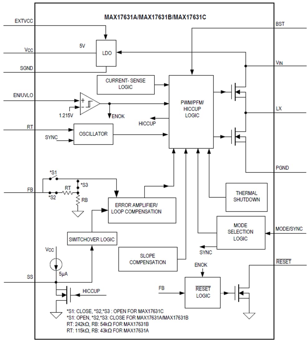
Funktionsdiagramm

Blockdiagramm - Analog Devices / Maxim Integrated MAX17631 Synchroner DC/DC-Abwärtswandler
Veröffentlichungsdatum: 2019-12-03 | Aktualisiert: 2023-05-05